Section 03-06: Starting System | 1993 Mustang Workshop Manual |
DIAGNOSIS AND TESTING
System Inspection
CAUTION: When disconnecting the plastic hardshell connector at the solenoid "S"
terminal, grasp the plastic connector and pull lead off. DO NOT pull separately
on lead wire.
WARNING: WHEN SERVICING STARTER OR PERFORMING OTHER UNDERHOOD WORK IN THE
VICINITY OF THE STARTER, BE AWARE THAT THE HEAVY GAUGE BATTERY INPUT LEAD AT
THE STARTER SOLENOID IS "ELECTRICALLY HOT" AT ALL TIMES.
A PROTECTIVE CAP OR BOOT IS PROVIDED OVER THIS TERMINAL THAT MUST BE
REPLACED AFTER SERVICING. BE SURE TO DISCONNECT BATTERY NEGATIVE CABLE BEFORE
SERVICING STARTER.
- Inspect starting system for loose connections.
- If system does not operate properly, note condition and continue diagnosis
using the symptom chart.
WARNING: WHEN WORKING IN AREA OF THE STARTER, BE CAREFUL TO AVOID TOUCHING HOT
EXHAUST COMPONENTS.
STARTER SYSTEM DIAGNOSIS
| Condition | Possible Source | Action |
- Starter solenoid does not pull-in and starter does not crank (Audible click may or may not be heard).
|
|
|
| |
|
|
| |
- Inoperative fender apron relay.
|
|
| |
- Open circuit or high resistance in external feed circuit to starter solenoid.
|
|
| |
|
- Replace starter as outlined.
|
- Unusual starter noise during starter overrun.
|
- Starter not mounted flush (cocked).
|
- Realign starter on transmission converter housing.
|
| |
- Noise from other components.
|
- Refer to Section 00-04. Investigate other powertrain accessory noise contributors.
|
| |
- Ring gear tooth damage or excessive ring gear runout.
|
|
| |
|
- Replace starter as outlined.
|
- Starter cranks but engine does not start.
|
|
|
| |
- Concern in ignition system.
|
|
| |
|
|
|
|
|
| |
- High resistance or loose connections in starter solenoid battery feed or ground circuit.
|
- Check that all connections are secure.
|
| |
- Ring gear runout excessive.
|
|
| |
|
- Replace starter as outlined.
|
- Starter remains engaged and runs with engine.
|
|
|
| |
- Battery cable touching solenoid 'S' terminal (inoperative or mispositioned cable).
|
- Replace or relocate cable and replace starter as outlined.
|
| |
|
- Replace starter as outlined.
|
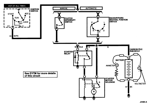
PINPOINT TEST A: CHECK STARTER MOTOR
A1 CHECK FOR VOLTAGE TO STARTER
NOTE: Hoist vehicle (if necessary) to access starter solenoid terminals.
CAUTION: Remove plastic safety cap on starter solenoid and disconnect hardshell
connector at solenoid 'S' terminal as described under Removal and Installation
in this Section.
- Key OFF. Transmission in PARK or NEUTRAL.
- Check for voltage between starter B+ terminal and starter
drive housing.
Is voltage between 12-12.45 volts?
Yes
GO toA2.
No
CHECK wire connections between battery and starter solenoid
and the ground circuit for open or short.
A2 CHECK STARTER MOTOR
- Key OFF. Transmission in PARK or NEUTRAL.
- Connect one end of a jumper wire to the starter B+
terminal and momentarily touch the other end to solenoid 'S' terminal.
Yes
CHECK connections from output of fender apron relay to 'S'
terminal for open or short.
No
REPLACE starter as outlined.
PINPOINT TEST B: CHECK FENDER APRON RELAY
B1 CHECK FENDER APRON RELAY
- Key in START. Transmission in PARK or NEUTRAL.
- Check for continuity between fender apron relay car ground and a good chassis ground.
Yes
GO to B2
.
No
SERVICE ground. GO to B2
.
B2 CHECK VOLTAGE AT FENDER APRON RELAY START TERMINAL
- Key in START. Transmission in PARK or NEUTRAL.
- Check for voltage between fender apron relay start terminal and case ground.
Is voltage between 12-12.45 volts?
Yes
GO to B3
.
No
Open circuit or high resistance exists in external circuit wiring or components. Check the following:
- All circuit connections including plastic hard-shell connector at solenoid "s" terminal to make sure it is not broken or distorted.
- Ignition switch.
- PNP or CPP switch.
- Anti-theft contact.
B3 CHECK OUTPUT TERMINAL VOLTAGE
- Key in START. Transmission in PARK or NEUTRAL.
- Check for voltage at output terminal of fender apron relay.
Yes
REFER to Starter System Diagnosis condition chart in this section.
No
REPLACE fender apron relay as outlined.
Starter Load Test
Tools Required:
- Rotunda Starting/Charging Tester 078-00005
Conduct this test if the starter cranks slowly and it is desired to
compare current to specifications.
- Connect Rotunda Starting and Charging Tester 078-00005 or equivalent. Make
sure that current is not flowing through ammeter and heavy-duty carbon pile
rheostat portion of circuit (rheostat at maximum counterclockwise position).
- Place transmission in NEUTRAL or PARK. Crank engine with ignition off, and
determine exact reading on voltmeter.
This test is accomplished by disconnecting push-on connector
'S' at starter relay and by connecting a remote-control starter switch from
positive battery terminal to 'S' terminal of starter relay.
NOTE: Make sure ignition switch is in the OFF position and 'S' terminal
connector has been removed so engine does not start.
- Stop cranking engine, and reduce resistance of carbon pile until voltmeter
indicates same reading as that obtained while starter cranked the engine. The
ammeter will indicate starter current draw under load. Check this with value
listed in Specifications.

