1999 PCED On Board Diagnostics II
SECTION 5: Pinpoint Tests
X: Constant Control Relay Module (CCRM)
Introduction
X: Pinpoint Tests
Note
This Pinpoint Test is intended to diagnose the following:
Constant Control Relay Module (CCRM)
Harness circuits: B+, FC, LFC, HFC, ACCS, WAC, VPWR (TO CCRM), A/C Clutch PWR, (Low/High) Fan PWR, GND
Powertrain Control Module (PCM) (12A650)
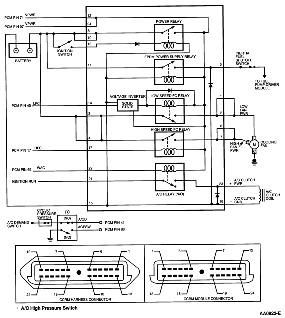
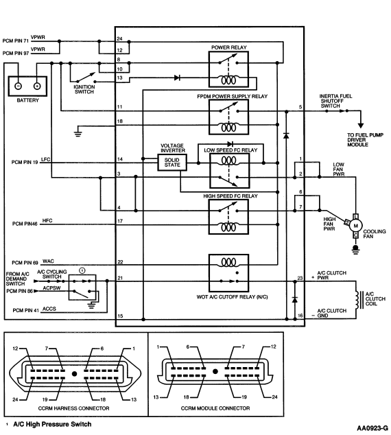
Pinpoint Test Schematics and Connectors
Escort/Tracer
3.8L Mustang
4.6L Mustang
X: Pinpoint Tests