1999 PCED On Board Diagnostics II
SECTION 5: Pinpoint Tests
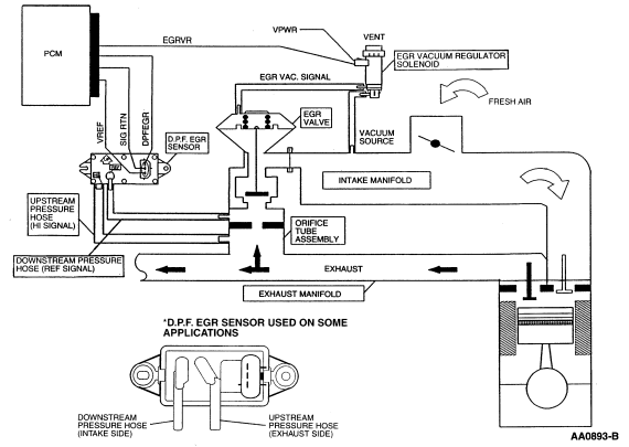
HE: Exhaust Gas Recirculation (EGR) Systems
Introduction
HE: Pinpoint Tests
Note
This Pinpoint Test is intended to diagnose the following:
Differential pressure feedback EGR sensor (9J460)
Exhaust gas recirculation (EGR) valve (9D460) (9D475)
EGR vacuum regulator solenoid (9J459)
Orifice tube assembly (9D477)
Differential pressure feedback EGR sensor pressure hoses
Vacuum lines
Harness circuits: VREF, DPFE, SIG, SIG RTN, EVR, EVR PWR
Powertrain control module (PCM) (12A650)
Pinpoint Test Schematics and Connectors
LS6/LS8
All Others
HE: Pinpoint Tests