Section 13-09: Gauges, Warning Devices, Miscellaneous—Electronic | 1993 Mustang Workshop Manual |
Check system fuse before proceeding.


NOTE: The following step-by-step diagnosis must be performed to obtain reliable results. If a specific failure condition is known, refer to the Electrical and Vacuum Troubleshooting Manual to quickly determine root cause and corrective action.
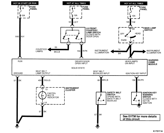
| Terminal No. | Circuit | Wire Color | Function |
|---|---|---|---|
| 1 | 450 | DG/LG | Warning chime module to safety belt warning indicator |
| 2 | 640 | R/Y | Ignition (RUN or START) to warning chime module |
| 4 | 159 | R/PK | Door jamb switch to warning chime module |
| 5 | 14 | BR | Headlamp switch to warning chime module |
| 6 | 158 | BK/PK | Key warning switch to warning chime module |
| 9 | 85 | BR/LB | Safety belt switch to warning chime module |
| 10 | 57 | BK | Ground to warning chime module |
Yes
No
Yes
No
Yes
No
Yes
No
Yes
No
Yes
No
Yes
No
Yes
No
All warnings operate properly
One, two, or three warnings inoperative
All warnings not operating