Section 07-01A: Transmission, Automatic, A4LD | 1993 Mustang Workshop Manual |
Tools Required
NOTE: Refer to Specifications in this section for description of optional adapter.

| Item | Part Number | Description |
|---|---|---|
| 1 | 7052 | Extension Housing Oil Seal |
| 1A | 7A034 | Extension Housing Bushing |
| 2 | 7A039 | Extension Housing |
| 3 | 7D071 | Parking Pawl Shaft |
| 4 | 7A441 | Parking Pawl |
| 5 | 7D070 | Parking Pawl Return Spring |
| 6 | 7D419 | Parking Rod Guide Cup |
| 7 | 7086 | Extension Housing Gasket |
| 8 | 7060 | Output Shaft Assy |
| 9 | E800152-S72 | M10 X 30 Ext to Case Screw (6 Req'd) |
| 10 | 7C063 | Governor Valve Body |
| 11 | 7C054 | Governor Primary Valve |
| 12 | 7A302 | Governor Valve Spring |
| 13 | 7D324 | Governor Valve Weight |
| 14 | 7F124 | Governor Counterweight |
| 15 | E602164-S72 | M6 x 12 Governor CWT to Collector Body Screw (2 Req'd) |
| 16 | E800156-S72 | M6 X 20 Governor Body to Collector Body Screw (2 Req'd) |
| 17 | 7D220 | Governor Oil Collector Body |
| 18 | 7D011 | Governor Housing Seal Ring (3 Req'd) |
| 19 | 7B368 | Output Shaft Thrust Gear Washer No. 11 |
| 20 | 7D261 | Inner Downshift Detent Lever Assy |
| 21 | 7E333 | Inner Manual Valve Detent Lever Pin |
| 22 | E630020-S71 | Flat Steel Washer |
| 23 | 7E332 | Manual Valve Detent Spring Assy |
| 24 | 7A115 | Inner Manual Valve Lever |
| 25 | E820112-S | Inner Lever to Lever Assy Downshift Detent Nut |
| 26 | E662312-S | Rod Retaining Clip |
| 27 | 7A232 | Park Pawl Actuating Rod Assy |
| 28 | 7B498 | Main Control Lever Oil Seal Assy |
| 29 | E840125-S | Spring Roller Pin (Retain Outer Manual Lever Assy) |
| 30 | 7341 | Gear Shift Arm Insulator |
| 31 | 7A256 | Manual Control Lever Assy |
| 32 | 386078-S | Outer Manual Lever Shaft Oil O-Ring |
| 33 | 7A394 | Outer Downshift Control Lever Assy |
| 34 | E820109-S72 | Hex M8 X 1 Outer Manual Lever to Shaft Nut |
| 35 | E800185-S72 | M6 X 30 Screw |
| 36 | E840115-S | Reverse Band Anchor Pin (2 Req'd) |
| 37 | 7034 | Case Vent Assy |
| 38 | 7005 | Case Assy |
| 39 | 7A247 | Park Neutral Position Switch Assy |
| 40 | E853116-S | O-Ring Seal |
| 41 | E860120-S | Retaining Ring |
| 42 | 7D191 | Overrunning Clutch Spring Retainer |
| 43 | — | |
| 44 | 7D422 | Output Shaft Hub Thrust Washer No. 10 |
| 45 | 7D095 | Reverse Band Assy |
| 46 | 7C498 | Reverse Brake Drum Assy |
| 47 | E860122-S | 87mm Ring (Retain Forward Ring Gear To Hub) |
| 48 | 7D164 | Output Shaft Hub |
| 49 | E860527-S | 25 X 2.0mm Retaining Ring |
| 50 | 7A153 | Output Shaft Ring Gear |
| 51 | 7A166 | Planet Carrier Thrust Washer No. 8 & 9 |
| 52 | 7D006 | Reverse Planet Assy (Serviced As 4-Pinion Only) |
| 53 | E860119-S | Planet To Drum Ring |
| 54 | E860121-S | 39mm Input Shell to Sun Gear Assy Ring (2 Req'd) |
| 55 | 7D066 | Input Shell Thrust Washer No. 14 |
| 56 | 7D064 | Input Shell |
| 57 | 7D063 | Forward Sun Gear Assy |
| 58 | — | |
| 59 | 7A398 | Forward Planet Assy (Serviced As 6-Pinion Only) |
| 60 | 7F374 | Forward Planet Thrust Bearing Assy No. 7 |
| 61 | 7D392 | Forward Ring Gear 72 Ext 57 Int Teeth |
| 62 | 7B067 | Forward Ring Gear Hub |
| 63 | E860122-S | 87mm Forward Ring Gear To Hub Retaining Ring |
| 64 | — | |
| 65 | — | |
| 66 | E860115-S | Forward Clutch Select Fit Retaining Ring |
| 67 | 7B066 | Forward Clutch Pressure Plate |
| 68 | 7B442 | Forward Extension Steel Clutch Plate |
| 69 | 7B164 | Forward Int Friction Clutch Plate Assy |
| 70 | 7B070 | Forward Clutch Cushion Spring |
| 71 | E860109-S | 34mm Forward Clutch Piston in Forward Cylinder Ring |
| 72 | 7A527 | Forward Clutch Piston Spring Retainer |
| 73 | 7A480 | Forward Clutch Piston Spring (15 Req'd) |
| 74 | 7A262 | Forward Clutch Piston Assy |
| 75 | 7A548 | Forward Clutch Piston Oil Inner & Outer Seal |
| 76 | 7A360 | Forward Clutch Cylinder Assy |
| 77 | 7D019 | Forward Clutch Cylinder Seal (2 Req'd) |
| 78 | E860126-129S | Reverse/High Clutch & O/D Clutch Retaining Ring Select Fit (2 Req'd) |
| 79 | 7B066 | Reverse and High Clutch Pressure Plate |
| 80 | 7B442 | Reverse and High Clutch Ext. Steel Plate |
| 81 | 7B164 | Reverse and High Clutch Int Friction Plate Assy |
| 82 | 7C096 | Forward Clutch Thrust Washer No. 5 Select Fit |
| 83 | E860125-S | High Clutch Piston In Int Brake Drum 63mm Ring |
| 84 | 7A527 | Reverse and High Clutch Clutch Piston Spring Retainer — 8 Tabs |
| 85 | 7A480 | Reverse and High Clutch Clutch Piston Spring (20 Req'd) |
| 86 | 7A262 | Reverse and High Clutch Piston |
| 87 | 7A548 | Reverse and High Clutch Piston Outer Seal |
| 88 | 7D404 | Reverse and High Clutch Piston Inner Seal |
| 89 | 7D044 | Reverse and High Int Brake Drum Assy |
| 90 | 7D034 | Intermediate Servo Band Assy |
| 91 | 388307-S100 | Hex Nut and Seal (2 Req'd) |
| 92 | 7C492 | Intermediate O/D Brake Band Adjusting Screw (2 Req'd) |
| 93 | 7D430 | Intermediate O/D Brake Band Anchor Strut (2 Req'd) |
| 94 | 7D029 | Intermediate Brake Band Apply Strut |
| 95 | 7330 | Intermediate Band Servo Lever (2 Req'd) |
| 96 | 7D433 | Intermediate Band Actuator Lever Shaft |
| 97 | 7D429 | Intermediate Brake Drum Seal (2 Req'd)-Viton |
| 98 | 7D014 | Intermediate Brake Drum Thrust Washer No. 4 Select Fit |
| 99 | 7A130 | Center O/D Support Assy |
| 100 | E826160-S76 | S/L Mtl M6 Nut and Cage Assy |
| 101 | E804373-S | Hex 8.8 M6 X 20 Screw Cap |
| 102 | 7L326 | Center Support Thrust Washer No. 3 |
| 103 | 7C122 | Center Support Retaining Ring |
| 104 | E860119-S | Center Shaft Retaining Ring |
| 105 | 7A658 | O/D Assy Center Shaft |
| 106 | 7A089 | O/D Overrun Clutch Assy |
| 107 | — | |
| 108 | 7A153 | O/D Ring Gear |
| 109 | 7L495 | O/D Inner Race Bearing Assy No. 2 |
| 110 | 7B446 | O/D Planet Gear Carrier Assy |
| 111 | 7D063 | O/D Sun Gear Assy |
| 112 | 7660 | O/D Clutch Adapter |
| 113 | — | |
| 114 | 7B066 | O/D Clutch Pressure Plate |
| 115 | 7B442 | Ext. Steel O/D Clutch Plate |
| 116 | 7B164 | O/D Clutch Int Friction Plate Assy |
| 117 | E860125-S | 63mm O/D Clutch Piston to O/D Brake Drum Retaining Ring |
| 118 | 7A527 | O/D Clutch Piston Spring Retainer — 8 Tabs |
| 119 | 7A480 | O/D Clutch Piston Spring (15 Req'd) |
| 120 | 7A262 | O/D Clutch Piston |
| 121 | 7A548 | O/D Clutch Piston Outer Seal |
| 122 | 7D404 | O/D Clutch Piston Inner Seal |
| 123 | 7L669 | O/D Drum Assy |
| 124 | 7D034 | O/D Band Assy |
| 125 | — | |
| 126 | — | |
| 127 | — | |
| 128 | — | |
| 129 | — | |
| 130 | 7D433 | O/D Band Actuator Lever Shaft |
| 131 | 7A653 | O/D Bracket |
| 132 | 7A248 | Front Oil Pump O-Ring Seal |
| 133 | 7D025 | O/D Brake Drum Seal (2 Req'd) |
| 134 | 7D014 | Front Pump Input Thrust Select Fit Washer |
| 135 | 7A103 | Front Pump Support and Gear Assy |
| 136 | 7L323 | Front Pump Support Seal |
| 137 | 7A136 | Oil Pump Gasket |
| 138 | 7B472 | Oil Pump Adapter Plate |
| 139 | 7976 | Converter Housing Assy |
| 140 | 7A248 | Front Oil Pump Seal Assy |
| 141 | 7017 | Input Shaft |
| 142 | 7902 | Converter Assy |
| 143 | E804595-S200 | M10 X 33 Converter Housing to Case Screw and Seal Assy (8 Req'd) |
| 144 | — | |
| 145 | E804375-S72 | FLG HD 8.8 X M8 X 35.0 Pump Support Assy To Converter Assy Screw (5 Req'd) |
| 146 | 7F006 | TV Control Diaphragm Clamp |
| 147 | E800341-S72 | M6 X 12mm Screw (7F006 To 7005) |
| 148 | 7A377 | TV Control Diaphragm Assy |
| 149 | 7A380 | TV Control Rod |
| 150 | E853110-S | Throttle Valve O-Ring |
| 151 | 7D080 | Throttle Control Valve |
| 152 | E860343-S | 67 X 15 Intermediate and O/D Retaining Ring (2 Req'd) |
| 153 | 7D040 | Intermediate and O/D Servo Cover to Case O-Ring (2 Req'd) |
| 154 | 7D027 | Cover and Seal Assy Intermediate Band Servo |
| 155 | 7D021 | Intermediate Piston and Rod Assy |
| 156 | 7D028 | Intermediate Band Servo Piston Spring |
| 157 | — | |
| 158 | — | |
| 159 | 7D027 | O/D Band Servo Cover & Seal Assy |
| 160 | 7D021 | O/D Piston & Rod Assy |
| 161 | 7D028 | O/D Band Servo Piston Spring |
| 162 | 7C155 | Control Valve Body to Case Gasket |
| 163 | 7A008 | Valve Body Separating Plate |
| 164 | 7D100 | Control Valve Body Separating Gasket |
| 165 | 7A100 | Main Control Assy |
| 166 | E800153-S72 | M6 X 40 Valve Body To Case Screw (19 Req'd) |
| 167 | E800163-S72 | M6 X 35 Valve Body to Case Screw (3 Req'd) |
| 168 | 7D300 | Reverse Servo Cushion Spring Retainer |
| 169 | 7E207 | Reverse Servo Cushion Spring |
| 170 | 7423 | Reverse Band Servo Piston Oil Seal (Small) |
| 171 | 7D031 | Reverse Servo Piston Spring |
| 172 | 7D189 | RR Band Servo Rod & Retainer Assy Piston Select Fit |
| 173 | E8601675 | Rod To Piston Retainer Ring |
| 174 | 7423 | Reverse Band Servo Piston Oil Seal (Large) |
| 175 | 7L173 | Reverse Servo Cover Gasket |
| 176 | 7D036 | Reverse Band Servo Piston Cover |
| 177 | E800156-S72 | M6 X 20 Reverse Servo To Valve Body Screw (4 Req'd) |
| 178 | E853137-S | Oil Screen Assy O-Ring (Small) |
| 179 | E853132-S | Oil Screen Assy O-Ring (Large) |
| 180 | 7A098 | Oil Pan Screen Assy |
| 181 | 7A194 | Oil Pan |
| 182 | E800154-S72 | M6 X 45 Screw — Att 7A100 To 7005 (4 Req'd) Att 7A098 to 7005 (1 Req'd) |
| 183 | E800158-S72 | M8 X 14 Oil Pan to Case Screw (18 Req'd) |
| 184 | 7E449 | Torque Converter Clutch and 3-4 Shift Connector |
| 185 | 7F037 | Torque Converter Clutch Self Contained Clamp Solenoid Assy |
| 186 | 7M107 | 3-4 Shift Solenoid Assy |
| 186A | 7M082 | 3-4 Solenoid Clamp |
| 187 | 7A191 | Oil Pan Gasket |
| 188 | 7190 | Overrun Clutch Roller (10 Req'd) |
| 189 | 7D235 | Rear Sun Gear Thrust No. 12 Bearing Race |
| 190 | 7A160 | Short Lube Oil Inlet Tube |
| 191 | — | |
| 191A | 7D090 | Forward Clutch Thrust Washer No. 6B |
| 191B | 7D234 | Forward Planet Clutch Bearing Assy No. 6A |
| 192 | 7D273 | Oil Tube Connector Assy (2 Req'd) |
| 193 | — | |
| 194 | — | |
| 195 | — | |
| 196 | 7D190 | Reverse Servo Rod |
| 197 | 7025 | Output Shaft Bushing |
| 198 | — | |
| 199 | 7D171 | Inner Overrunning Clutch Race |
| 200 | E450102-S80 | Line Pressure Pipe Plug |
| 201 | 7B258 | Front Oil Pump Bushing |
| 202 | 7A043 | Output Shaft Bearing Assy |

| Item | Part Number | Description |
|---|---|---|
| 1 | 7D014 | Selective Washer — No. 1 |
| 2 | 7L495 | Needle Bearing — No. 2 |
| 3 | 7L326 | Washer — No. 3 |
| 4 | 7D014 | Selective Washer — No. 4 |
| 5 | 7L096 | Washer — No. 5 |
| 6 | 7D234 | Needle Bearing — No. 6 |
| 7 | 7D090 | Needle Bearing — No. 6 |
| 8 | 7F374 | Needle Bearing — No. 7 |
| 9 | 7A166 | Washer — No. 8 |
| 10 | 7A166 | Washer — No. 9 |
| 11 | — | Bushing (Part of 7C496) |
| 12 | 7D422 | Washer — No. 10 |
| 13 | 7B368 | Washer — No. 11 |
| 14 | 7A034 | Bushing (Part of 7A039) |
| 15 | — | Bushing (Part of 7005) |
| 16 | 7D066 | Washer — No. 14 |
| 17 | — | Bushings (2 Required) (Part of 7D063) |
| 18 | — | Needle Bearing (Part of 7A398) |
| 19 | — | Needle Bearing (Part of 7060) |
| 20 | — | Sleeve (Part of 7A130) |
| 21 | — | Bushing (Part of 7D044) |
| 22 | — | Needle Bearing (Part of 7B446) |
| 23 | — | Needle Bearing (Part of 7B446) |
| 24 | 7D235 | Race |
| 25 | — | Bushing (Part of 7D063) |
| 26 | — | Bushing (Part of 7L669) |
| 27 | — | Bushing (Part of 7A103) |
| 28 | — | Bushing (Part of 7976) |
| 29 | — | Bushing (Part of 7A103) |
WARNING: DO NOT REMOVE THE TORQUE CONVERTER OR TRANSFER CASE FROM THE
TRANSMISSION WHILE STILL ON JACK. DOING SO COULD CAUSE THE TRANSMISSION TO FALL
OFF THE JACK.
For disassembly, relocate the transmission to the top of a flat work
bench. 
Torque Converter
WARNING: THE TORQUE CONVERTER IS HEAVY, ESPECIALLY WHEN FULL OF OIL.

NOTE: The splines on the shaft are not the same on both ends. The end with the shorter spline goes into the assembly.

Extension Housing
CAUTION: The parking pawl, pawl return spring, and pawl shaft could fall out
during removal of the extension housing.
NOTE: Remove extension housing bushing (7A034) only if service is required by inspection.


NOTE: The guide cup is a press fit into the extension housing (7A039) and is not serviced separately.

Governor Assembly
NOTE: The counterweight (7F124) need not be removed.


NOTE: See the service tool section for drawing of this optional adapter plate.
CAUTION: The park rod must slip freely into clearance hole in the adapter plate.


WARNING: MAKE SURE THE LOCK PIN ON THE BENCH FIXTURE T57-500-B IS SECURE.

WARNING: MAKE SURE THE LOCK PIN ON BENCH MOUNTED HOLDING FIXTURE (T57-500-B) IS
SECURE.
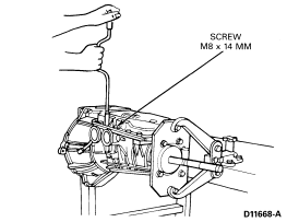
Use a 13mm socket to remove remaining transmission oil pan screws (M8 x 14mm) holding transmission oil pan to case.
CAUTION: Do not reuse the oil pan gasket (7A191).

Main Control Valve Body



WARNING: WHEN REMOVING COVER, THE PISTON ASSEMBLY CAN POP OUT UNEXPECTEDLY DUE
TO SPRING PRESSURE BEHIND THE PISTON.

| Item | Part Number | Description |
|---|---|---|
| 1 | E800156-S72 | Screw M6 x 20mm |
| 2 | 7D036 | Cover |
| 3 | 7L173 | Gasket |
| 4 | 7473 | Seal — Large |
| 5 | E8601675 | Retainer Ring |
| 6 | 7D189 | Piston |
| 7 | 7E207 | Cushion Spring |
| 8 | 7D300 | Retainer |
| 9 | 7D190 | Rod |
| 10 | 7423 | Seal — Small |
| 11 | 7D031 | Spring |
NOTE: Refer to the Main Control Valve Body Disassembly and Assembly in this section.

Intermediate and Overdrive Servos
NOTE: Light tapping on the cover and case, or air pressure applied on release side may be needed. Use A4LD Transmission Test Plate T86L-7006-A
WARNING: AIR PRESSURES SHOULD NOT BE GREATER THAN 137 KPA (20 PSI). WEAR SAFETY
GLASSES WHEN USING COMPRESSED AIR. THE PISTON ASSEMBLY CAN POP OUT UNEXPECTEDLY
DUE TO SPRING PRESSURE BEHIND THE PISTON. DO NOT STAND DIRECTLY IN FRONT OF THE
PISTON.
NOTE: Tag spring, piston and cover assembly. Label "overdrive" and "intermediate" accordingly for reassembly. Covers have letters cast onto outer surface for identification.

WARNING: MAKE SURE THE LOCK PIN ON THE BENCH MOUNTED HOLDING FIXTURE
(T57-500-B) IS SECURE.
CAUTION: Throw the locknuts away. These locknuts are not reusable for assembly.

Converter Housing and Pump Assembly
CAUTION: Throw the screws away. These screws are not reusable for assembly.

NOTE: Rotate and lift converter housing so that the clutch assemblies will stay in place.

NOTE: Refer to converter housing and pump under Sub-System Disassembly in this section.

Overdrive Gear Train Assembly
CAUTION: Identify the band. Identify which end of the band is the anchor side
or apply side to make sure of correct reassembly.

NOTE: Refer to overdrive clutch and one-way clutch assembly under Sub-System Disassembly in this section for service.

Overdrive Planet and One-Way Clutch Assembly
NOTE: No. 12 and No. 2 thrust bearings are in this assembly.

NOTE: Tag and identify overdrive lever for reassembly. Lever has a stamped letter on side.


Center Support
CAUTION: Center support mating (loose) nut could fall into remaining assembly
if not removed. This nut is not serviced separately.



CAUTION: Identify band (intermediate). Identify which end is the anchor or
apply side of the band to ensure correct reassembly.

Forward Geartrain Assembly

WARNING: MAKE SURE THE LOCK PIN ON THE BENCH MOUNTED HOLDING FIXTURE
(T57-500-B) IS SECURE.






Reverse Planet Assembly


CAUTION: Discard snap ring E860527-S. A new one must be used for reassembly.

Reverse Brake Drum Assembly
NOTE: The inner race of the rear one-way clutch is not removable. It is serviced in the case.


NOTE: Tag and identify intermediate lever for reassembly. Lever has a letter stamped on its side for identification.


Governor Oil Collector Body

Vacuum Diaphragm Assembly


Park/Neutral Position Switch
CAUTION: Do not use an open-end wrench. The switch assembly could be damaged.

Manual Lever Assemblies and Seal
NOTE: Replace manual lever shaft seal and kickdown lever O-ring as required.



CAUTION: Do not damage the case oil pan rail.

CAUTION: Do not bend "Z" link.

Solenoid Case Connector
NOTE: To remove the case solenoid connector, depress the tab on the outside of the case, backside of the connector, while pulling with pliers.
