Section 15-00: Audio Systems—Service | 1993 Mustang Workshop Manual |
Tools Required:
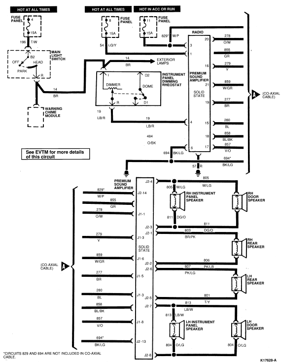
Refer to the wiring diagrams and the diagnosis Charts to isolate radio
concerns.
Electronic Search Radio (ESR)

Radio Connector

Speaker Connector

Electronic Stereo Cassette (ESC Lo-Power and CDR)

Amplifier


Radio


Circuit Description Chart
| Circuit No. | Description | Gauge | Color | Stripe |
|---|---|---|---|---|
| 829 | Input to P.S.A. | 14 | W/P | X |
| 694 | Amplifier Power Return | 14 | BK/LG | X |
| 813 | Speaker Return LH Front Speaker | 18 | LB/W | X |
| 811 | Speaker Return RH Front Speaker | 18 | DG/O | X |
| 822 | Speaker Voice Coil Feed | 18 | BK/G | X |
| 807 | Speaker Voice Coil Feed Rear (LH Channel) | 18 | PK/LP | X |
| 806 | Speaker Voice Coil Feed Rear (RH Channel) | 18 | PK/LB | X |
| 805 | Speaker Voice Coil Feed Front (RH Channel) | 18 | W/LG | X |
| 804 | Speaker Voice Coil Feed Front (LH Channel) | 18 | O/LG | X |
| 803 | Speaker Voice Coil Return Rear (RH Channel) | 18 | DG/O | X |
| 801 | Speaker Voice Coil Return Rear (LH Channel) | 18 | PK/LB | X |
| 57 | Ground | 20 | BK | |
| 859 | Speaker Voice Coil Return | 18 | W/P | X |
| 137 | Radio and Antenna Feed | 18 | Y/BK | X |
| 54 | Memory Feed | 18 | LG/Y | X |
| 19 | Instrument Panel Lamps Feed | 18 | LB/R | X |
| 278 | RH RR + Input | 24 | O/W | X |
| 279 | RH FR + Input | 24 | Y | |
| 277 | LH RR + Input | 24 | BR | |
| 280 | LH FR + Input | 24 | BL | |
| 855 | RH RR - Input | 24 | GR | |
| 858 | RH FR - Input | 24 | BL/BK | X |
| 859 | LH RR - Input | 24 | W/GR | X |
| 857 | LH FR - Input | 24 | Y/O | |
| 689 | Mute | 18 | DB |
Yes
No
Yes
No
Yes
No
Yes
No
Yes
No
Yes
No
Yes
No
Yes
No
Yes
No
Yes
No
Yes
No
Yes
No
Yes
No
Yes
No
Yes
No
Yes
No
Yes
No
Yes
No
Yes
No
Yes
No
Yes
No
Yes
NoNOTE: The capacitor mounting points are used to complete the electrical circuit and must be mounted securely to clean surfaces.
Yes
No
Yes
No
Yes
No
Yes
No
Yes
No
Yes
No
Yes
No
Yes
No
Yes
No
Yes
No
Yes
No
Yes
No
Yes
No
Yes
No
Yes
No
Yes
No
Yes
NoNOTE: All surfaces used for grounding must be clean to ensure good electrical contact. Remove any dirt, rust, grease, paint, etc.
Yes
No
Yes
No
Yes
No
Yes
No
Yes
NoNOTE: All surfaces used for grounding must be clean to ensure good electrical contact. Remove any dirt, rust, grease, paint, etc.
Yes
No
Radio inoperative
Radio intermittent
Yes
NoNOTE: For a repeated customer complaint perform the above test while driving on rough road conditions to isolate the system exhibiting an intermittent short circuit condition.
Grounded power feed found
Yes
No
Yes
No
Yes
No
Yes
No
YesNOTE: Use premium sound diagnostic chart to service if vehicle is so equipped.
No
Yes
No
Yes
No
Yes
No
Reception weak on AM only
Reception weak on FM or both AM/FM
Yes
No
Yes
No
Yes
No
Yes
No
Yes
No
Yes
No
Yes
No
Yes
No
Yes
No
Yes
No
Yes
No
Yes
No
Yes
NoNOTE: In EPC installations neither wire to the speaker can be grounded. Grounding of either wire will cause distortion.
Yes
No
Yes
No
Yes
No
Yes
No
Yes
No
Yes
No
Yes
No