Section 03-06: Starting System | 1993 Mustang Workshop Manual |
DISASSEMBLY AND ASSEMBLY
Starting System
NOTE: Although disassembly and service procedures are shown for the starter
motor in this section, it is recommended that the starter motor be returned to
Ford Return Parts Center for analysis and review.

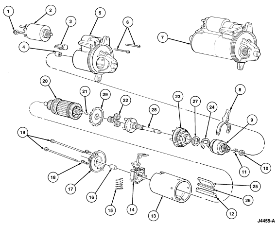
| Item |
Part Number |
Description |
|
1
|
N805403
|
Terminal Nut
|
|
2
|
11390
|
Starter Solenoid
|
|
3
|
11A171
|
Housing Seal
|
|
4
|
11135
|
Bushing
|
|
5
|
11130
|
Drive End Housing
|
|
6
|
N805405
|
Solenoid Screw (2 Req'd)
|
|
7
|
11002
|
Starter Motor
|
|
8
|
11067
|
Drive Lever
|
|
9
|
11350
|
Starter Drive
|
|
10
|
11223
|
Stop Ring Retainer
|
|
11
|
11222
|
Starter Drive Stop Ring
|
|
12
|
—
|
Magnet Retainer (6 Req'd, Part of 11075)
|
|
13
|
11075
|
Starter Frame and Magnet
|
|
14
|
11061
|
Brush Holder
|
|
15
|
11059
|
Brush Spring
|
|
16
|
—
|
Bushing (Part of 11049)
|
|
17
|
11049
|
Brush End Plate and Bushing
|
|
18
|
N805406
|
Brush Plate Screw (2 Req'd)
|
|
19
|
N805428
|
Through-Bolt (2 Req'd)
|
|
20
|
11005
|
Starter Motor Armature
|
|
21
|
11A172
|
Armature Thrust Ball
|
|
22
|
11K190
|
Planet Gear
|
|
23
|
11A165
|
Stationary Gear
|
|
24
|
N805404
|
Truarc E-Ring
|
|
25
|
—
|
Magnet Pole Piece (6 Req'd, Part of 11075)
|
|
26
|
—
|
Pole Shunt (6 Req'd, Part of 11075)
|
|
27
|
11036
|
Pinion Thrust Washer
|
|
28
|
11355
|
Output Shaft
|
|
29
|
11A167
|
Planet Gear Retainer
|
Disassembly
- Remove positive brush connector from solenoid motor (M) terminal.
- Remove solenoid retaining screws and solenoid.
- Remove through-bolts and separate drive end housing from starter frame.
Remove housing seal assembly from drive. Remove drive and gear assembly from
drive end housing.
- Remove drive lever from drive assembly. Remove stop ring and retainer from
driveshaft, then remove drive assembly from shaft. Push E-ring off driveshaft,
and separate gear assembly from driveshaft.
- Remove brush plate screws and brush end plate from starter frame. Remove
brush assembly and push armature out of frame.
Assembly
NOTE: Sealer material (ESA-M4G294-A or equivalent) should be replaced on
starter during re-assembly.
- Install armature assembly in starter frame. Apply a thin coating of
ESF-M1C218-A Grease or equivalent low temperature grease on both ends of
armature shaft and spline. Install brush assembly while making sure brushes fit
over commutator. Apply grease to bearing bore in brush end plate. Push back
grommet onto frame and attach brush end with brush plate screws. Tighten to 2-3 Nm
(18-27 lb-in).
- Apply grease to driveshaft spline and place stationary gear assembly over
driveshaft. Install armature thrust washer and push E-ring onto driveshaft.
Place drive assembly onto shaft and install stop ring and retainer. Attach
drive lever to drive assembly.
- Grease and install planet gears.
- Apply grease into drive end housing bearing bore (approximately one-quarter
full). Install drive gear assembly into housing, making sure to line up bolt
holes in gear assembly and housing. Place gear retainer over gear assembly.
Install housing seal assembly into drive end housing.
- Position starter frame to housing and install through-bolts. Tighten to
5-10 Nm (45-89 lb-in).
- Position solenoid to housing ensuring that solenoid plunger is attached
through drive lever (bottom solenoid terminal (M) should have a metal strip
attached to it). Tighten solenoid bolts to 5-10 Nm (45-89
lb-in).
- Attach positive brush connector to solenoid (bottom terminal). Tighten nut
to 9-14 Nm (80-124 lb-in).
- Check that starter no-load current draw is within specification. Refer to Bench Tests
under Diagnosis and Testing.