1999 PCED On Board Diagnostics II
SECTION 5: Pinpoint Tests
HU: Intake Air Systems
Introduction
HU: Pinpoint Tests
Note
This Pinpoint Test is intended to diagnose the following:
Throttle body assembly (9E926)
Speed control cable (9A825)
Accelerator cable linkage to throttle body (9C799)
Air cleaner assembly (including air cleaner element)
Air inlet tube
Clean air tube hose and resonator (9R504)(9F593)
Intake manifold runner control housing assembly (IMRC) (9U531) (9U524) and (9J447)
IMRC actuator assembly (9J559)
Harness circuits: IMRC, IMRC Monitor, SIG RTN, PWR GND, VPWR
Intake manifold tuning valve (IMT Valve) electric (9L490)
Powertrain control module (PCM) (12A650)
Pinpoint Test Schematics and Connectors
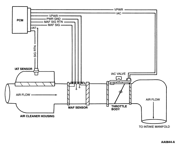
Intake Air System
2.5L Contour/Mystique, 2.5L Cougar, 3.0L (4V) Taurus/Sable, 3.4L SHO, 3.8L Windstar, 4.2L E/F-Series
2.0L SPI Escort/Tracer
3.8L Windstar, 4.2L E/F-Series
4.6L Expedition/F-Series, 5.4L E-Series, 4V Expedition/Navigator, NG E/F-Series
3.0L LS6
HU: Pinpoint Tests