Section 12-03A: Air Conditioning System—Manual A/C-Heater | 1994 Mustang Workshop Manual |
REMOVAL AND INSTALLATION
A/C Condenser Core
Removal
NOTE: Replacement of the suction accumulator/drier is not required
when repairing the air conditioning system except when there is
physical evidence of system contamination from a failed A/C
compressor or damage to the suction accumulator/drier.
NOTE: If an A/C condenser core leak is suspected, the A/C condenser core
must be leak-tested before it is removed from the
vehicle. Refer to Section 12-00 for the leak test procedure.
- Discharge the refrigerant from the A/C system at the service access gauge
port valve located on the suction line. Observe all safety precautions. Refer
to Section 12-00.
- Disconnect the cables from the battery (10653)
and remove the battery hold down clamp (10718)
and the battery
.
Battery Clamp

- Remove retaining bolts, screws and washers from battery tray (10732)
and remove battery tray
.
Battery Tray Removal

| Item |
Part Number |
Description |
|
1
|
N803471-S55
|
Screw and Washer
|
|
2
|
10718
|
Clamp-Battery Hold Down
|
|
3
|
N803867-S55
|
Screw and Washer
|
|
4
|
10732
|
Battery Tray
|
|
5
|
N62332-S100
|
Spring Nut
|
|
6
|
16055
|
Front Fender Apron
|
|
7
|
N606676-S55
|
Screw and Washer (2 Req'd)
|
|
A
|
—
|
Tighten to 9-14 Nm (7-10 Lb-Ft)
|
- Remove retaining screws and radiator upper sight shield (8C291)
.
- Remove one screw retaining radiator coolant recovery reservoir (8A080)
to the CCRM bracket.
- Remove two screws from CCRM bracket. Disconnect wire harness connector and
retainer from CCRM. Remove CCRM and bracket.
- Disconnect coolant recovery hose from radiator (8005)
and remove radiator coolant recovery reservoir
from vehicle.
- Disconnect wire harness retainers from radiator support (16138)
.
- Disconnect wire harness connectors from anti-lock brake control module and engine cooling fan motor (8K621)
.
-
CAUTION: A/C condenser core refrigerant lines are connected with spring
lock couplings. These couplings require special tools and procedures as
outlined. Failure to follow these procedures can result in damage to the
couplings and refrigerant lines.
Disconnect the refrigerant line fittings (spring lock couplings) at the RH side
of the A/C condenser core
as outlined.
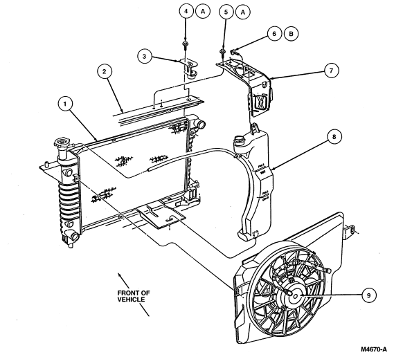
- Remove two retaining screws and two radiator support upper brackets (8A193)
and tilt the radiator
rearward.
Cooling System

| Item |
Part Number |
Description |
|
1
|
8005
|
Radiator
|
|
2
|
16138
|
Radiator Support
|
|
3
|
8A193
|
Radiator Support Upper Bracket
|
|
4
|
—
|
Bolt (2 Req'd)
|
|
5
|
N606675-S2
|
Bolt (2 Req'd)
|
|
6
|
N606663-S36B
|
Bolt
|
|
7
|
12B581
|
Constant Control Relay Module and Bracket
|
|
8
|
8A080
|
Radiator Coolant Recovery Reservoir
|
|
9
|
8K621
|
Engine Cooling Fan Motor
|
|
A
|
—
|
Tighten to 7.6-10.4 Nm (67-92 Lb-In)
|
|
B
|
—
|
Tighten to 4.5-6.3 Nm (40-56 Lb-In)
|
- Remove two retaining screws and two A/C condenser mounting brackets (19702)
from the radiator support
.
- Lift the A/C condenser core
from the vehicle. Cap the refrigerant lines to
prevent
entry of dirt and excessive moisture.
A/C Condenser Core Assembly

| Item |
Part Number |
Description |
|
1
|
N610958-S2
|
Screw (2 Req'd)
|
|
2
|
19702
|
A/C Condenser Mounting Bracket
|
|
3
|
19702
|
A/C Condenser Mounting Bracket
|
|
4
|
19E572
|
A/C Condenser Seal
|
|
5
|
19712
|
A/C Condenser Core
|
|
A
|
—
|
Tighten to 2.7-3.7 Nm (24-33 Lb-In)
|
Installation
- If the A/C condenser core
is to be replaced, add 29.5 ml (1 ounce) of clean
Motorcraft YN-12b refrigerant oil or equivalent meeting Ford specification
WSH-M1C231-B to the new A/C condenser core
.
- Position the A/C condenser core
assembly to the vehicle, making sure the lower
isolators are properly seated on the two A/C condenser mounting brackets
. Then install the two A/C condenser mounting brackets
and two retaining screws.
- Position the radiator
to the radiator support
and install the two radiator support upper brackets
and retaining screws.
- Connect the refrigerant lines to the A/C condenser core
.
Refer to Spring Lock Coupling
procedure and illustration.
- Connect wire harness connectors to anti-lock brake control module and engine cooling fan motor
.
- Install wiring harness retainers into radiator support
.
- Install radiator coolant recovery reservoir
into lower radiator coolant recovery reservoir bracket
and connect coolant recovery hose to the radiator
.
- Install CCRM and bracket assembly with two retaining screws. Connect CCRM
wiring connector and wire harness retainer.
- Install one screw retaining radiator coolant recovery reservoir
to CCRM bracket.
- Install radiator upper sight shield
and retaining screws.
- Install battery tray
and retainers.
- Install battery
and battery hold down clamp
. Connect battery cables, positive cable first.
- Leak-test, evacuate and charge the system. Observe all safety precautions.
Refer to Section 12-00.