Section 12-03A: Air Conditioning System—Manual A/C-Heater | 1994 Mustang Workshop Manual |
REMOVAL AND INSTALLATION
Suction Accumulator/Drier
NOTE: Replacement of the suction accumulator/drier is not required
when repairing the air conditioning system except when there is
physical evidence of system contamination from a failed A/C
compressor or damage to the suction accumulator/drier.
The suction accumulator/drier
should be replaced if one of the following conditions exist:
- The suction accumulator/drier is perforated.
- There is evidence of moisture in the system such as internal corrosion of
metal refrigerant lines or the refrigerant oil is thick and dark.
NOTE: The compressor oil from vehicles equipped with an FS-10 A/C compressor
may have a dark color while maintaining a normal oil
viscosity. This is normal for this A/C compressor
because carbon from the A/C compressor piston rings
will discolor the oil.
When replacing the suction accumulator/drier, the procedure given here must be followed to ensure that the total oil
charge in the system is correct after the new suction accumulator/drier
is installed.
- Drain the oil from the removed suction accumulator/drier into a suitable measuring container. Drill one or two 1/2-inch holes in
the bottom of the old suction accumulator/drier
to ensure that all the oil has drained
out.
- Add the same amount of clean new refrigerant oil plus 60 ml (2 ounces) to
the new suction accumulator/drier. Use only the Motorcraft
YN-12c refrigerant oil or equivalent meeting
Ford specification WSH-M1C231-B.
Removal
- Discharge the refrigerant from the A/C system. Observe all safety
precautions. For additional information, refer to Section 12-00.
- Remove A/C cycling switch (19E561)
as outlined.
- Disconnect the A/C manifold and tube (19D734)
at the suction accumulator/drier
. Cap the A/C manifold and tube
and suction accumulator/drier
to prevent the entrance of dirt and moisture.
- Remove the nut holding the suction accumulator/drier
in the A/C accumulator bracket (19D606)
.
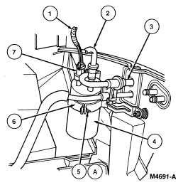
Suction Accumulator/Drier

| Item |
Part Number |
Description |
|
1
|
—
|
Wire Harness
|
|
2
|
19D734
|
A/C Manifold and Tube
|
|
3
|
—
|
A/C Evaporator Core Outlet Tube (Part of 19860)
|
|
4
|
19C836
|
Suction Accumulator/Drier
|
|
5
|
N808448-S60
|
Nut
|
|
6
|
19D606
|
A/C Accumulator Bracket
|
|
7
|
19E561
|
A/C Cycling Switch
|
|
A
|
—
|
Tighten to 6.6-9.4 Nm (58-83 Lb-In)
|
- Disconnect the suction accumulator/drier inlet tube from the A/C evaporator
core outlet tube and remove the suction accumulator/drier
.
Installation
- Position the suction accumulator/drier
into the A/C accumulator bracket
.
- Using new O-rings lubricated with clean Motorcraft YN-12c refrigerant oil
or equivalent meeting Ford specification WSH-M1C231-B, connect the suction
accumulator/drier inlet tube to the A/C evaporator core outlet.
- Install the nut on the A/C accumulator bracket
. Tighten nut to 6.6-9.4 Nm (58-83
lb-in).
- Using new O-rings seal lubricated with clean Motorcraft YN-12c refrigerant
oil or equivalent meeting Ford specification WSH-M1C231-B, connect the A/C manifold and tube
to the suction accumulator/drier
.
- Install the A/C cycling switch
and connect wire harness as outlined.
- Leak-test, evacuate and charge the system following the recommended service
procedures. Observe all safety precautions. For additional
information, refer to Section 12-00.
- Check the system for proper operation.