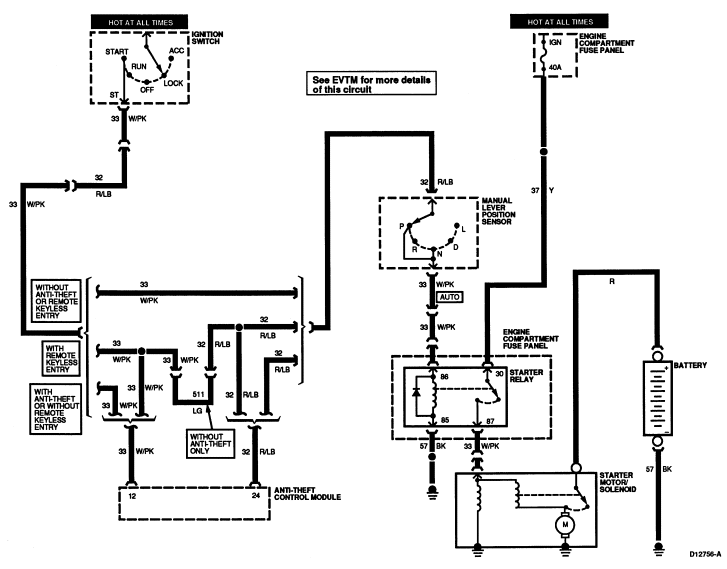
Section 07-14A: Manual Lever Position Sensor | 1994 Mustang Workshop Manual |


| Pin Number | Circuit | Circuit Function |
|---|---|---|
| 1 | 32 (R/LB) | Starter Control |
| 2 | 32 (R/LB) | Starter Control |
| 3 | 511 (LG) | Stoplamp (Brake On/Off) Switch to Stoplamps |
| 4 | 810 (R/LG) | Stoplamp (Brake On/Off) Switch to Stoplamps |
| 5 | 481 (GY/Y) | PCM to Clutch Jumper |
| 6 | 480 (P/Y) | Transmission Converter Clutch Solenoid Circuit |