Section 01-20B: Restraints, Passive—Supplemental Air Bag System | 1994 Mustang Workshop Manual |
NOTE: If the air bag did not deploy in a collision, it may not have been needed. Complete all diagnosis before replacing the driver side air bag module (043B13).
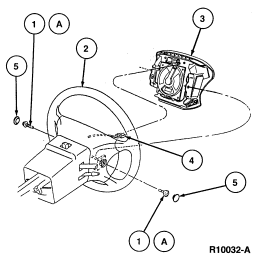
Removal
WARNING: THE ELECTRICAL CIRCUIT NECESSARY FOR SYSTEM DEPLOYMENT IS POWERED
DIRECTLY FROM THE BATTERY (10653). TO AVOID ACCIDENTAL DEPLOYMENT AND POSSIBLE PERSONAL INJURY, THE
POSITIVE BATTERY CABLE MUST BE DISCONNECTED PRIOR TO SERVICING OR REPLACING ANY
SYSTEM COMPONENTS.

| Item | Part Number | Description |
|---|---|---|
| 1A | N807845-5434 | Screw and Washer Assy (2 Req'd) |
| 2 | 3600 | Steering Wheel |
| 3 | 043B13 | Driver Side Air Bag Module |
| 4 | — | Driver Air Bag Wiring-to-Air Bag Sliding Contact Connector |
| A | Tighten to 10.2-13.8 Nm (8-10 Lb-Ft) |
WARNING: PLACE DRIVER SIDE AIR BAG MODULE ON BENCH WITH TRIM COVER FACING UP.
Installation