Section 18-01: Wiring and Circuit Protection | 1994 Mustang Workshop Manual |
Refer to the illustrations for the harness being replaced while performing the following removal and installation procedures.
Removal
NOTE: Refer to Section 01-05 if it is necessary to remove any trim panels to gain access to the harness.
Installation

| Item | Part Number | Description |
|---|---|---|
| 1 | 14401 | Main Wiring |
| 2 | 19B113 | Radio Amplifier Wiring |

| Item | Part Number | Description |
|---|---|---|
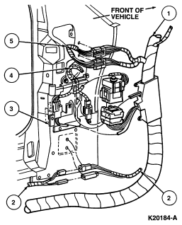
| 1 | — | To Instrument Cluster (10849) |
| 2 | — | To Turn Signal and Windshield Wiper Switch (13K359) |
| 3 | 18C641 | Heated Back Window Control Relay |
| 4 | 04320 | Instrument Panel |
| 5 | — | To Heated Back Window Switch and Light (18C621) |
| 6 | 14401 | Main Wiring |
| 7 | 10D840 | Safety Belt Warning Chime |
| 8 | 14A068 | Fuse Junction Panel |
| 9 | — | To Speed Control Amplifier (9D843) |
| 10 | — | To Speed Control Amplifier (9D843) |
| 11 | — | To Steering Column Tube (3C529) |
| 12 | — | Diagnostic Link Connector |
| 13 | — | To Air Bag Diagnostic Monitor |
| 14 | — | To A/C Heater Blower Motor Switch Resistor (18591) |
| 15 | — | To Engine Control Sensor Wiring (12A581) |
| 16 | — | To Body Main Wiring (14A005) |
| 17 | — | To Heater Blower Motor (18527) |
| 18 | — | To Transmission Control Module (12B565) |
| 19 | — | To Luggage Compartment Door Release Switch |
| 20 | — | To Air Conditioner Control (19980) |

| Item | Part Number | Description |
|---|---|---|
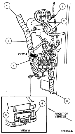
| 1 | 14A005 | Main Wiring |
| 2 | 19B113 | Radio Amplifier Wiring |
| 3 | 14536 | Wiring Bracket |
| 4 | 14401 | Main Wiring |
| 5 | 14631/19A041 | Front Window Regulator Wiring/ Radio Speaker Wiring |

| Item | Part Number | Description |
|---|---|---|
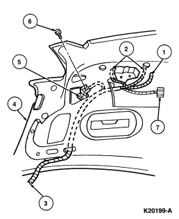
| 1 | 13A709 | Courtesy Or Interior Lamp Switch Wiring |
| 2 | 14630/19A041 | Front Window Regulator Wiring |
| 3 | 14A005 | Body Main Wiring |
| 4 | 12A581 | Engine Control Sensor Wiring |
| 5 | 12A650 | Powertrain Control Module |

| Item | Part Number | Description |
|---|---|---|
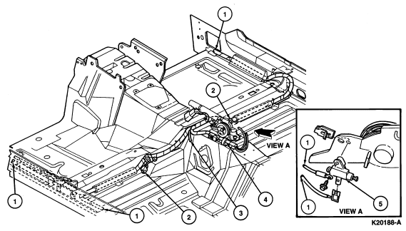
| 1 | 14A005 | Body Main Wiring |
| 2 | — | To Seat Regulator Motor (14547) |
| 3 | — | To Seat Belt (611B08) |
| 4 | — | To Console Panel (045A36) |
| 5 | 15A581 | Parking Brake Signal Switch and Bracket |

| Item | Part Number | Description |
|---|---|---|
| 1 | 19B113 | Radio Amplifier Wiring |
| 2 | 14A005 | Body Main Wiring |
| 3 | — | To RH Rear Brake Anti-Lock Sensor (2C190) |
| 4 | 46506 | Package Tray Panel |
| 5 | — | To Rear Radio Speaker (18808) |
| 6 | — | To Back Window Glass (A42006) |

| Item | Part Number | Description |
|---|---|---|
| 1 | 13410 | Lamp Socket and Wiring |
| 2 | 9341 | Inertia Fuel Shutoff Switch |
| 3 | 14A005 | Body Main Wiring |
| 4 | N611043-S58 | Screw (2 Req'd) |
| 5 | 14405 | Rear Lamp Wiring |

| Item | Part Number | Description |
|---|---|---|
| 1 | — | To Luggage Compartment Lamp (13B713) |
| 2 | — | To Rear License Plate Lamps (13564) |
| 3 | 19B516 | Luggage Compartment Lamp Wiring |
| 4 | 40110 | Luggage Compartment Door |
| 5 | 13465 | Miniature Bulb |
| 6 | N801846-S36 | Screw |
| 7 | — | To Rear Hi Mount Lamp (13A613) (Cobra Only) |

| Item | Part Number | Description |
|---|---|---|
| 1A | N806327-S36MG | Screw |
| 2 | 14301 | Battery Ground Cable |
| 3 | 374043-S100 | Felt Washer |
| 4 | 10653 | Battery |
| 5 | 14290 | Headlamp Dash Panel Junction Wire |
| 6 | 14300 | Battery to Starter Relay Cable |
| 7 | 14516 | Power Distribution Box and Harness |
| 8B | N805403-S100 | Nut |
| 9 | 6A051 | Engine Block Heater |
| 10 | 9F472 | Heated Oxygen Sensor |
| 11C | N620482-S36 | Nut |
| 12 | 14A163 | Wiring Harness Retainer |
| 13D | N605905-S56 | Bolt |
| 14 | 11N807 | Starter Terminal Cover |
| 15D | 3371-S36 | Nut |
| 16E | 391480-S36 | Stud |
| 17 | 11002 | Starter Motor |
| 18E | 382747-S36 | Bolt |
| 19F | N805403-S100 | Nut and Washer |
| 20E | N621939-S53 | Nut and Washer |
| 21 | N808084-S307 | Stud |
| A | Tighten to 4-5.6 Nm (35-50 Lb-In) | |
| B | Tighten to 10.2-13.8 Nm (91-122 Lb-In) | |
| C | Tighten to 25.5-34.5 Nm (19-25 Lb-Ft) | |
| D | Tighten to 17-23 Nm (13-17 Lb-Ft) | |
| E | Tighten to 21.2-28.8 Nm (16-21 Lb-Ft) | |
| F | Tighten to 8.9-12.1 Nm (79-107 Lb-In) |

| Item | Part Number | Description |
|---|---|---|
| 1 | 14300 | Battery to Starter Relay Cable |
| 2A | 55736-S36 | Nut |
| 3B | N620482-S36 | Nut |
| 4 | 11002 | Starter Motor |
| 5 | 9F472 | Heated Oxygen Sensor |
| 6 | 6C624 | Low Oil Level Sensor |
| 7B | 620482-S36 | Nut |
| 8 | 14A163 | Wiring Harness Retainer |
| 9 | N806468-S36 | Stud |
| 10 | — | Engine Block Heater |
| A | Tighten to 8.9-12.1 Nm (79-107 Lb-In) | |
| B | Tighten to 17-23 Nm (13-17 Lb-Ft) |

| Item | Part Number | Description |
|---|---|---|
| 1 | 12A581 | Wiring Harness Assy |
| 2A | N805320-S36 | Nut and Washer Assy |
| 3 | 14305 | Wiring Harness Assy |
| 4 | 9D930 | Fuel Charging Wiring |
| 5 | 9K499 | Exhaust Emission Control Wiring |
| 6 | 10300 | Generator |
| 7 | 9F472 | RH Heated Oxygen Sensor |
| 8 | 9F472 | LH Heated Oxygen Sensor |
| 9 | 14A206 | Heated Oxygen Sensor Bracket |
| 10 | — | Existing Bolt |
| 11 | 3A674 | Power Steering Pump Actuator |
| 12 | 19D629 | Compressor and Clutch Assy |
| 13 | N800458-S36G | Screw |
| 14 | 18801 | Capacitor Assy |
| 15 | 10884 | Engine Coolant Temperature Sensor |
| 16 | 9278 | Oil Pressure Engine Unit Gauge |
| 17 | 6C644 | Oil Level and Temperature Sensor |

| Item | Part Number | Description |
|---|---|---|
| 1 | 19A095 | Radio Frequency Interference Suppression Bond |
| 2 | 3504 | Steering Gear |
| 3 | 5482 | Front Stabilizer Bar |
| 4A | N801650-S36 | Nut |
| 5B | W611101-S36 | Screw |
| A | — | Tighten to 10.2-13.8 Nm (91-122 Lb-In) |
| B | Tighten to 17-23 Nm (13-17 Lb-Ft) |

| Item | Part Number | Description |
|---|---|---|
| 1 | 15A702 | Engine Compartment Lamp Feed Wiring |
| 2 | 13465 | Miniature Bulb |
| 3 | 15702 | Engine Compartment Lamp |
| 4 | 14401 | Main Wiring |

| Item | Part Number | Description |
|---|---|---|
| 1 | 18801 | Radio Ignition Interference Capacitor |
| 2 | 9278 | Oil Pressure Sender |
| 3 | 12029 | Ignition Coil |
| 4 | — | Sender Fitting |
| 5 | 9D930 | Fuel Charging Wiring |
| 6 | N800458-S36G | Screw |

| Item | Part Number | Description |
|---|---|---|
| 1 | 10D968 | Low Coolant Level Warning Sensor |
| 2 | 14489 | Data Link Connector |
| 3 | — | To A/C Cyclic Switch (19E561) |
| 4A | N806327-S36MG | Screw (2 Req'd) |
| 5 | — | To Headlamp (13008) |
| 6 | 12A581 | Engine Control Sensor Wiring |
| 7 | 14290 | Headlamp Dash Panel Junction Wire |
| 8 | — | To Anti-Lock Brake Control Module (2B373) |
| 9 | 12B581 | Constant Control Relay Module |
| 10 | To Fog Lamps, Park and Turn Signal Lamps | |
| 11 | 14B004 | Front Air Bag Sensor and Bracket |
| A | Tighten to 5.9-8.1 Nm (53-72 Lb-In) |

| Item | Part Number | Description |
|---|---|---|
| 1 | 12A581 | Engine Control Sensor Wiring |
| 2 | — | To A/C Cyclic Switch (19E561) |
| 3 | 7D307 | Neutral Switch Wiring |
| 4 | 9D930 | Fuel Charging Wiring |
| 5 | 14A163 | Wiring Harness Retainer |
| 6 | 14290 | Headlamp Dash Panel Junction Wire |
| 7 | — | To Mass Air Flow Sensor (12B579) |
| 8 | 12K702 | Ignition Control Module |
| 9 | 14489 | Data Link Connector |
| 10 | 14A099 | Wiring Shield |
| 11 | 12A360 | Ignition Control Module Bracket |
| 12A | N620480-S309B | Nut (2 Req'd) |
| 13 | N807199-S309B | Screw and Retainer (2 Req'd) |
| 14 | — | To A/C Cyclic Switch (19E561) |
| 15 | — | To A/C Clutch (2884) |
| 16 | 98465 | Secondary Air Injection Control Solenoid Vacuum Valves (9H465) |
| 17 | — | To EGR Vacuum Regulator Control |
| 18 | — | To Front Brake Anti-Lock Sensor (2C204) |
| A | — | Tighten to 8-11.5 Nm (71-102 Lb-In) |


| Item | Part Number | Description |
|---|---|---|
| 1 | 15525 | Backup Lamp Switch to Rear Lamp Feed Wire |
| 2 | 9E731 | Vehicle Speed Sensor |
| 3 | 7D307 | Manual Lever Position Sensor Wiring |

| Item | Part Number | Description |
|---|---|---|
| 1 | 044C82 | Coin Tray |
| 2 | 15K218 | Fog Lamp Switch Assy |
| 3 | 15691 | Convertible Switch Assy |
| 4 | 045A06 | Console Assy Complete |

| Item | Part Number | Description |
|---|---|---|
| 1 | 14B215 | Air Bag Diagnostic Monitor and Bracket |
| 2 | 11135 | Front Floor Pan |
| 3 | 14K024 | Jumper Wire |
| 4 | — | Part of Instrument Panel (04320) |
| 5 | 14401 | Main Wiring |
| 6 | 04320 | Instrument Panel |

| Item | Part Number | Description |
|---|---|---|
| 1 | 18888 | Radio Chassis Support |
| 2 | 18812 | Radio Antenna Lead In Cable |
| 3 | 04320 | Instrument Panel |
| 4 | 18D806 | Digital Audio Compact Disc Player |
| 5 | 18806 | Radio Chassis |
| 6 | 19B113 | Radio Amplifier Wiring |
| 7 | 14401 | Main Wiring |





| Item | Part Number | Description |
|---|---|---|
| 1 | — | To Outside Rear View Mirror |
| 2 | 14A005 | Body Main Wiring |
| 3 | — | To Radio Speaker (18088) |
| 4 | — | To Window Regulator Electric Drive |
| 5 | 14631 | Front Window Regulator Wiring |
| 6 | 220A40 | Door Lock Cylinder Switch |
| 7 | 218A42 | Power Door Lock Actuator |
| 8 | — | To Window Regulator Control Switch (14529) |
| 9 | — | To Outside Rear View Mirror Control (17B676) |

| Item | Part Number | Description |
|---|---|---|
| 1 | 23942 | Front Door Trim Panel |
| 2 | 19A041 | Radio Speaker Wiring |
| 3 | 18808 | Radio Speaker |
| 4 | 18B947 | Radio Speaker Mounting Spacer |
| 5 | 18808 | Radio Speaker |
| 6 | 20124 | Front Door |

| Item | Part Number | Description |
|---|---|---|
| 1 | 14A005 | Body Main Wiring |
| 2 | 19B113 | Radio Amplifier Wiring |
| 3 | — | To Radio Speaker (18088) (Super Sound) |
| 4 | — | To Radio Speaker (18088) (Base or Premium) |
| 5 | — | To Window Regulator Electric Drive |
| 6 | — | To Folding Top Hydraulic Lift Motor and Plate (533A00) |
| 7 | 533A00 | Folding Top Hydraulic Lift Motor and Plate Kit |
| 8 | 14N089 | Relay |


| Item | Part Number | Description |
|---|---|---|
| 1 | 18808 | Radio Speaker |
| 2 | 14A005 | Body Main Wiring |
| 3 | 18963 | Radio Speaker Mounting Plate |
| 4 | 27840 | Quarter Panel |
| 5 | 19A067 | Subwoofer Enclosure |
| 6 | 19B113 | Radio Amplifier Wiring |



| Item | Part Number | Description |
|---|---|---|
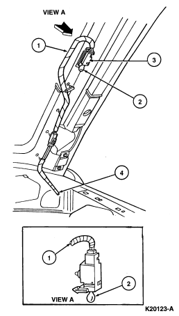
| 1 | 9002 | Fuel Tank |
| 2 | — | To Fuel Tank Sending Unit (9275) |
| 3 | 9A340 | Fuel Pump Feed Jumper Wiring |
| 4 | 14401 | Main Wiring |
| 5 | 14A163 | Wiring Harness Retainer |
| 6 | — | To Fuel Pump (9350) |

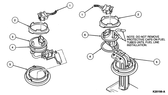
| Item | Part Number | Description |
|---|---|---|
| 1 | 9A340 | Fuel Pump Feed Jumper Wiring |
| 2 | 9A307 | Fuel Tank Sending Unit Locking Retainer Ring |
| 3 | 9275 | Fuel Tank Sending Unit |
| 4 | 9276 | Fuel Tank Sending Unit Gasket |
| 5 | 9002 | Fuel Tank |
| 6 | 9350 | Fuel Pump |