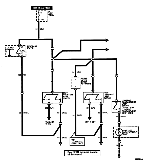
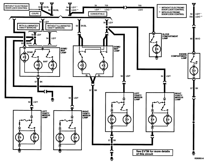
Section 17-02: Lighting, Interior | 1994 Mustang Workshop Manual |



| Pin Number | Circuit | Circuit Function |
|---|---|---|
| 1 | 57 (BK) | Ground |
| 2 | 117 (PK/BK) | Lock All Doors |
| 3 | 163 (R/O) | Driver's Door Unlock |
| 4 | 119 (PK/Y) | Door Lock Switch-Lock |
| 5 | 120 (PK/LG) | Door Lock Switch-Unlock |
| 6 | 118 (PK/O) | Passenger Door Unlock Output |
| 7 | 53 (BK/LB) | Interior Lamps Output |
| 15 | 57 (BK) | Ground |
| 16 | 117 (PK/BK) | Lock All Doors |
| 17 | 706 (GY) | Door Jamb |
| 18 | 118 (PK/O) | Passenger Door Unlock Output |
| 19 | 53 (BK/LB) | Interior Lamps Output |
| 20 | 707 (W/Y) | Luggage Compartment Lamp/Switch Output |

| Pin Number | Circuit | Circuit Function |
|---|---|---|
| 8 | — | Not Used |
| 9 | 84 (P/Y) | Release Trunk Lid Output |
| 10 | 54 (LG/Y) | Battery Saver Input |
| 11 | 705 (LG/O) | Battery Saver Output |
| 12 | 705 (LG/O) | Battery Saver Output |
| 13 | 517 (BK/W) | Battery Power |
| 14 | 517 (BK/W) | Battery Power |
| 21 | — | Not Used |
| 22 | 84 (P/Y) | Release Trunk Lid Output |
| 23 | 54 (LG/Y) | Battery Saver Input |
| 24 | 14 (BR) | Parking Lamps Output |
| 25 | 517 (BK/W) | Battery Power |
| 26 | 6 (Y/LG) | Horn Relay |

| Pin Number | Circuit | Circuit Function |
|---|---|---|
| 1 | 54 (LG/Y) | Signal Battery |
| 2 | — | Not Used |
| 3 | — | Not Used |
| 4 | — | Not Used |
| 5 | 397 (BK/W) | Signal Ground |
| 6 | 296 (W/P) | Ignition Switch Input |
| 7 | 465 (W/LB) | Door Latch Switch Input |
| 8 | — | Not Used |
| 9 | 627 (BK/O) | Output to Anti-Theft Module |
| 10 | 809 (GY/Y) | Program B |
| 11 | — | Not Used |
| 12 | — | Not Used |
| 13 | — | Not Used |
| 14 | — | Not Used |
| 15 | 808 (W/Y) | Program A |
| 16 | — | Not Used |

| Pin Number | Circuit | Circuit Function |
|---|---|---|
| B1 | 38 (BK/O) | Power Supply to Battery |
| B2 | 195 (T/O) | Tail Lamp Switch Feed |
| I | 19 (LB/R) | Instrument Panel Lamp Feed |
| IGN | — | Not Used |
| R | 14 (BR) | Headlamp Switch to Taillamp and Sidemarker Lamps |
| H | 15 (R/Y) | Headlamp Dimmer Switch Feed |
| DN | — | Not Used |
| D1 | 54 (LG/Y) | Interior Lamp Switch Feed |
| D2 | 706 (GY) | Battery Saver Door Switch Feed |