Section 17-01: Lighting, Exterior | 1994 Mustang Workshop Manual |


| Pin Number | Circuit | Circuit Function |
|---|---|---|
| B1 | 38 (BK/O) | Power Supply to Battery |
| B2 | 195 (T/W) | Tail Lamp Switch Feed |
| I | 19 (LB/R) | Instrument Panel Lamp Feed |
| IGN | — | Not Used |
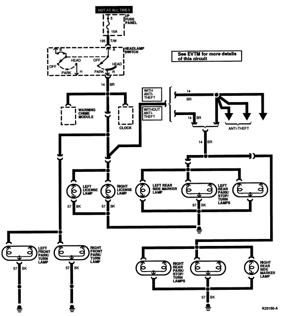
| R | 14 (BR) | Headlamp Switch to Tail Lamp and Side Marker Lamps |
| H | 15 (R/Y) | Headlamp Dimmer Switch Feed |
| DN | — | Not Used |
| D1 | 54 (LG/Y) | Interior Lamp Switch Feed |
| D2 | 706 (GY) | Battery Saver Door Switch Feed |

| Pin Number | Circuit | Circuit Function |
|---|---|---|
| 1 | 57 (BK) | Ground |
| 2 | 85 (BR/LB) | Left Front Seat Belt Warning |
| 3 | — | Not Used |
| 4 | 183 (T/Y) | Not Used |
| 5 | 158 (BK/PK) | Key Warning Switch |
| 6 | 14 (BR) | Headlamp On Input |
| 7 | 159 (R/PK) | Left Door Courtesy Lamp Switch Input |
| 8 | 296 (W/P) | 12 Volt Ignition Supply |
| 9 | 640 (R/Y) | Start/Run Input |
| 10 | 450 (DG/LG) | Seat Belt Warning Lamp Output |