Section 12-00: Climate Control System—Service | 1994 Mustang Workshop Manual |
DESCRIPTION AND OPERATION
A/C Refrigerant System Operation
The A/C refrigerant system is a A/C evaporator core orifice (19D990)—
cycling A/C clutch (2884)
type. The system components are:
- A/C compressor (19703)
- A/C clutch
- A/C condenser core (19712)
- A/C evaporator core (19860)
- Suction accumulator/drier (19C836)
- and the necessary connecting refrigerant lines.
- System operation is controlled by the A/C evaporator core orifice
and the A/C cyclic switch (19E561)
.
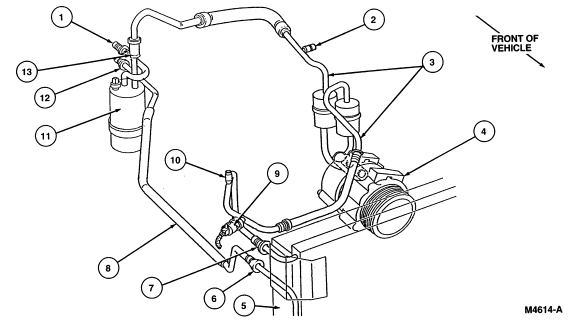
A/C Evaporator Core Orifice System—5.0L Engine

| Item |
Part Number |
Description |
|
1
|
—
|
From Evaporator Core Outlet Tube
|
|
2
|
—
|
Low Side Service Valve Body (Part of 19D734)
|
|
3
|
19D734
|
A/C Manifold and Tube
|
|
4
|
19703
|
A/C Compressor
|
|
5
|
19712
|
A/C Condenser Core
|
|
6
|
—
|
To A/C Evaporator Core
|
|
7
|
—
|
From A/C Compressor
|
|
8
|
19835
|
Condenser to Evaporator Tube
|
|
9
|
19D594
|
A/C Pressure Cut-Off Switch
|
|
10
|
—
|
High Side Service Valve Body (Part of 19D734)
|
|
11
|
19C913
|
Suction Accumulator/Drier
|
|
12
|
—
|
To A/C Evaporator Core
|
|
13
|
—
|
Suction Hose From Accumulator (Part of 19C836)
|
NOTE: When diagnosing or servicing the A/C refrigerant system, time can be
saved if the proper procedures are carefully followed.
It may seem difficult to understand how heat can be transferred from a
comparatively cooler vehicle passenger compartment to the hot outside air. The
answer lies in the difference between the refrigerant pressure that exists in
the A/C evaporator core
and the pressure that exists in the A/C condenser core
. In the A/C evaporator core
, the A/C compressor suction reduces the pressure and
the boiling point below the temperature of the air passing over the A/C evaporator core
. Heat transfers from the air to the boiling
refrigerant.
- In the A/C condenser core
, the A/C compressor
raises the condensation point above the temperature of
the outside air. The heat transfers from the condensing refrigerant to the
outside air. The A/C evaporator core orifice
and the A/C compressor
simply create pressure conditions that permit the laws
of nature to function.
- The refrigerant system incorporates a A/C compressor
controlled by an A/C cyclic switch
connected in series with the A/C clutch
. The A/C cyclic switch
senses A/C evaporator core
pressure to control A/C compressor operation. Using
this method of A/C compressor
control, the A/C cyclic switch
will stop A/C compressor operation during ambient
temperatures below approximately 10°C (50°F)
and also prevent A/C evaporator core icing during normal system operation. An A/C compressor pressure relief valve (19D644)
is installed in the high-pressure (discharge) A/C manifold and tube (19D734)
to protect the refrigerant system against excessively
high refrigerant pressures.
- Operation of the A/C clutch
is dependent on signals from the powertrain control module (PCM) (12A650)
. The system is programmed to interrupt A/C compressor
operation when certain conditions exist. The A/C clutch
can be shut off (or kept off) for several seconds at
engine start-up, at high engine speeds, during acceleration, when the engine
coolant temperature exceeds a predetermined temperature and during low engine
idle conditions (approximately 200 rpm below low idle specifications).
- An A/C evaporator core orifice
is used to meter the liquid refrigerant into the A/C evaporator core
for A/C evaporator core cooling.
- A/C evaporator core temperature is controlled by sensing the
pressure within the A/C evaporator core
with a pressure operated electric switch. The A/C cyclic switch
controls A/C compressor operation as necessary to
maintain the A/C evaporator core
pressure within specified limits.
Refrigerant Flow
During stabilized (A/C system shutdown) conditions, refrigerant system
pressures are equalized on both the high and low sides of the refrigerant
system.
When the function control knob (18519)
is moved to an A/C, mix or defrost position the system
operates as follows:
- The magnetic A/C compressor clutch field coil (2987)
is energized and the A/C clutch
is pulled into contact with the belt-driven A/C compressor clutch pulley (2E884)
.
- The A/C clutch
assembly then rotates the compressor shaft.
- When the A/C compressor shaft is rotated, the pistons are alternately
pulled out and forced into their respective cylinder bores.
- As each piston is pulled from its cylinder bore, the pressure in the
cylinder suddenly reduces to a pressure (or vacuum) considerably lower than the
refrigerant vapor pressure on the suction side of the refrigerant system.
- The higher refrigerant system vapor pressure overcomes the suction reed
valve spring pressure, forcing gas through the reed valve and into the
lower-pressure (or vacuum) area inside the A/C compressor cylinder.
- The spring pressure on the reed valve closes the valve when the
refrigerant system suction vapor pressure and the compressor cylinder vapor
pressure are equalized.
- As each piston is forced into its respective cylinder bore, the
refrigerant vapors from the suction side of the refrigerant system are
compressed into a decreasingly smaller area, increasing the refrigerant vapor
pressure and also raising the refrigerant vapor temperature.
- The higher refrigerant vapor pressure now assists in sealing the suction
reed valve closed and also opens the discharge (high-pressure) reed valve as
the cylinder pressure exceeds the higher-pressure side of the refrigerant
system.
- When the A/C compressed higher-pressure and temperature refrigerant vapor
is discharged into the high-pressure side of the refrigerant system, the
discharge reed valve spring pressure and the high side refrigerant pressure
closes and seals the reed valve.
- Closing the reed valve prevents the discharge pressure from re-entering
the compressor cylinder.
- The A/C compressor refrigerant vapor compression cycle begins as the
pistons are again pulled from their respective compressor cylinder bores by
rotating the A/C compressor shaft.
- The high-pressure and high-temperature A/C compressor discharge
refrigerant vapor is released into the top of the A/C condenser core
assembly, through the A/C compressor to condenser discharge line (19972)
.
- The A/C condenser core
, being close to ambient temperature, causes refrigerant
vapor to condense into a liquid when heat is removed from the refrigerant vapor
by ambient air passing over A/C condenser core fins and tubing.
- Liquid refrigerant from the bottom of the A/C condenser core
enters the high-pressure condenser to evaporator tube (19835)
and then the inlet side of the A/C evaporator core orifice
located in the A/C condenser core inlet tube.
- The inlet filter screen of the A/C evaporator core orifice
assembly removes coarse contaminant particles, which
may be present in the liquid refrigerant, before the liquid refrigerant enters
the calibrated opening of the A/C evaporator core orifice.
- The outlet end of the A/C evaporator core orifice
assembly has a fine mesh filter with four open side
slots, in the body of the A/C evaporator core orifice
assembly, upstream from the filter.
- The side slots and filter act as a refrigerant flow noise suppressor.
- Refrigerant pressure is reduced in the A/C evaporator core
as a result of the A/C evaporator core orifice
and the A/C compressor suction.
- As the A/C evaporator core pressure is lowered and the condenser to evaporator tube
pressure increases, the liquid refrigerant passes
through the A/C evaporator core orifice
and enters the A/C evaporator core at a low
pressure and as a cold liquid.
- As airflow passes over the plate/fin sections of the A/C evaporator core
, the refrigerant inside absorbs the heat and changes
into a vapor.
- A/C compressor suction draws the vaporized refrigerant and oil mixture
into the suction accumulator/drier
where the heavier oil-laden vapors fall to the bottom
and the lighter vapors and oil mixture continue their path to the A/C compressor
through the top of the vapor return tube.
- Two desiccant bags, located inside the suction accumulator/drier
, absorb and retain moisture which may be circulating
in the refrigerant system.
- The heavier oil-laden refrigerant also returns to the A/C compressor
through a small liquid bleed hole near the
bottom of the aspirator tube.
- The liquid bleed hole provides a controlled second opportunity for the
accumulated refrigerant and oil mixture to vaporize as it passes through the
opening to re-enter into the main vapor flow path to the suction side of the A/C compressor
.
Refrigerant Systems
NOTE: It is necessary to determine whether or not the refrigerant system
contains R-134 refrigerant BEFORE any refrigerant system service
is performed.
CAUTION: DO NOT use R-12 special tools and equipment when
servicing an R-134a system. Doing so may cause damage to the R-134a A/C system.
Mustang vehicles offer the R-134a A/C systems.
- The main difference between these systems and R-12 A/C systems involves
the mandatory requirement of the use of different refrigerants.
- The R-134 system uses a non-chlorofluorocarbon (non-CFC) based
refrigerant R-134.
- R-134 is a hydrofluorocarbon (HFC) based refrigerant.