Section 11-04: Steering Column | 1994 Mustang Workshop Manual |
Tilt
Removal
CAUTION: Do not remove steering wheel (3600)
and driver side air bag module (043B13)
as an assembly unless the column is locked or the steering column gear input shaft coupling (3A525)
is secured to keep it from turning. This will avoid
damage to the air bag sliding contact (14A664)
assembly.

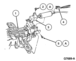
| Item | Part Number | Description |
|---|---|---|
| 1 | 3514 | Steering Column Tube |
| 2A | N806038-S2 | Screw |
| 3 | 3F719 | Ignition/Shifter Interlock Cable |
| 4 | — | Electrical Connector (Part of 14401) |
| 5A | N805138-S2 | Screw |
| A | Tighten to 1.4-2 Nm (12-17 Lb-In) |
Installation