Section 10-02: Accelerator Pedal and Linkage | 1994 Mustang Workshop Manual |
Adjustment instructions and illustrations for the 3.8L and 5.0L engines
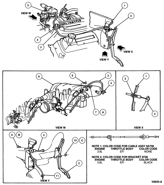
are shown in the following illustrations.
3.8L Engine

| Item | Part Number | Description |
|---|---|---|
| 1 | 01610 | Dash Panel |
| 2 | 9725 | Accelerator Pedal and Shaft |
| 3 | 9A758 | Accelerator Cable |
| 4 | 9E728 | Accelerator Cable Retainer |
| 5 | 9723 | Accelerator Cable Bracket |
| 6 | — | Bolt (Part of 6007) |
| 7A | N808066-S36 | Bolt |
| 8 | 6007 | Engine |
| 9B | N611058-S36 | Bolt (2 Req'd) |
| 10C | N804796-S56 | Nut (2 Req'd) |
| 11 | 3C611 | Steering Column Tube Boot |
| A | Tighten to 5.2-7.2 Nm (46-63.7 Lb-In) | |
| B | Tighten to 2.3-3.3 Nm (20.4-29.2 Lb-In) | |
| C | Tighten to 14.8-20.2 Nm (131.0-178.8 Lb-In) |

| Item | Part Number | Description |
|---|---|---|
| 1 | 9725 | Accelerator Pedal and Shaft |
| 2 | 9A758 | Accelerator Cable |
| 3A | N804796-S56 | Nut (2 Req'd) |
| 4 | 9A788 | Bracket P/A Isolator |
| 5B | N808066-S36 | Bolt (2 Req'd) |
| 6 | 01610 | Dash Panel |
| 7 | N808066-S36 | Bolt |
| 8 | 01671 | Dash Panel Insulator |
| 9C | N621905-S2 | Nut |
| 10 | — | Stud (Part of 6007) |
| 11 | 9E728 | Accelerator Cable Retainer |
| 12 | 9737 | Accelerator Retracting Spring |
| 13 | 9E926 | Throttle Body |
| 14A | N801557-S56 | Bolt (2 Req'd) |
| 15 | 9723 | Accelerator Cable Bracket |
| 16D | N808066-S36 | Bolt |
| A | Tighten to 14.8-20.2 Nm (131.0-178.8 Lb-In) | |
| B | Tighten to 1.6-2.2 Nm (14.2-19.5 Lb-In) | |
| C | Tighten to 7.5-10.5 Nm (66.4-92.9 Lb-In) | |
| D | Tighten to 5.2-7.2 Nm (46-63.7 Lb-In) |