Section 06-06: Brake System, Hydraulic | 1994 Mustang Workshop Manual |
Disassembly
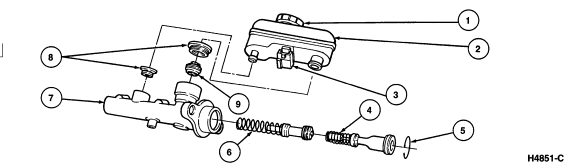
NOTE: If brake master cylinder is to be put into vise to aid in disassembly, mount into vise by flange only to avoid damage to bore or brake master cylinder reservoir (2K478) areas.


| Item | Part Number | Description |
|---|---|---|
| 1 | 2162 | Brake Master Cylinder Filler Cap |
| 2 | 2K478 | Brake Master Cylinder Reservoir |
| 3 | — | Brake Fluid Level Indicator Switch (Part of 2K478) |
| 4 | — | Primary Piston Assy (Part of 2004) |
| 5 | — | Snap Ring (Part of 2A032) |
| 6 | — | Secondary Piston Assy (Part of 2A032) |
| 7 | 2140 | Brake Master Cylinder |
| 8 | 2L074 | Master Cylinder Reservoir Seal |
| 9 | 2C161 | Brake Master Cylinder Fluid Control Valve |
Assembly