Section 05-02B: Axle, Integral Carrier — 8.8 Inch Ring Gear | 1994 Mustang Workshop Manual |
The rear axle assembly has the following characteristics:

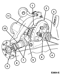
| Item | Part Number | Description |
|---|---|---|
| 1 | 4205 | Differential Case |
| 2 | — | Ring Gear (Part of 4209) |
| 3 | 4067 | Differential Bearing Shim |
| 4 | 4221 | Differential Bearing |
| 5 | 4222 | Differential Bearing Cup |
| 6 | — | Drive Pinion (Part of 4209) |
| 7 | 4621 | Differential Pinion Bearing |
| 8 | 4676 | Flange Yoke Seal |
| 9 | 4851 | Rear Axle Universal Joint Flange |
| 10 | 4662 | Differential Drive Pinion Bearing Spacer |
| 11 | 4236 | Differential Side Gear |