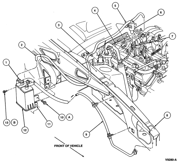
Section 03-13: Evaporative Emissions | 1994 Mustang Workshop Manual |

| Item | Part Number | Description |
|---|---|---|
| 1 | — | To Fuel and Vapor Return Tube (Part of 9D653) |
| 2 | 9C987 | Fuel Vapor Hose |
| 3 | — | Push-Pin (Part of 9C987) |
| 4 | 6758 | Crankcase Ventilation Tube |
| 5 | — | Bracket (Part of 9C915) |
| 6 | 9C915 | Fuel Vapor Canister Purge Regulator Valve |
| 7 | — | Connector (Part of 12A581) |
| 8 | 16055 | Front Fender Apron |
| 9 | 9G271 | Fuel Vapor Return Tube |
| 10A | N606675-S2 | Bolt (2 Req'd) |
| 11 | 9D665 | Fuel Vapor Canister Bracket |
| 12 | 9D653 | Fuel Vapor Canister |
| 13B | 40920-S2 | Bolt |
| A | Tighten to 8.6-10.4 Nm (76-89 Lb-In) | |
| B | Tighten to 5.2-7.2 Nm (46-63 Lb-In) |

| Item | Part Number | Description |
|---|---|---|
| 1 | 9D653 | Fuel Vapor Canister |
| 2 | 9J279 | Fuel and Vapor Return Tube |
| 3 | 9C915 | Fuel Vapor Canister Purge Regulator Valve |
| 4 | 9C987 | Fuel Vapor Hose |
| 5 | 9424 | Upper Intake Manifold |
| 6 | 6853 | Crankcase Ventilation Hose |
| 7 | 16055 | Front Fender Apron |
| 8A | 40920-S2 | Bolt |
| 9 | 9D665 | Fuel Vapor Canister Bracket |
| 10A | 381877-S2 | Bolt (2 Req'd) |
| A | Tighten to 5.2-7.2 Nm (46-63 Lb-In) |