Section 03-08: Engine Emission Control | 1994 Mustang Workshop Manual |
Removal and Installation

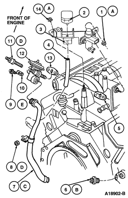
| Item | Part Number | Description |
|---|---|---|
| 1A | N800103-S8 | Nut (2 Req'd) |
| 2 | 9J460 | EGR Pressure Valve Sensor |
| 3 | 9J432 | Transducer Mounting Bracket |
| 4 | 9P761 | EGR Vacuum Control Valve Hose |
| 5 | 9424 | Upper Intake Manifold |
| 6B | 9F485 | EGR Valve Tube to Manifold Connector |
| 7C | 9D477 | EGR Valve to Exhaust Manifold Tube |
| 8D | N621942-S43B | Nut |
| 9E | N803837-S | Bolt |
| 10 | 9J429 | EGR Pressure Valve Sensor Hose Connector Plug |
| 11D | N805316-S | Stud/Bolt (2 Req'd) |
| 12 | 9D475 | EGR Valve |
| 13 | 9D476 | EGR Valve Gasket |
| 14A | N807609-S36B | Nut |
| A | Tighten to 8-12 Nm (71-106 Lb-In) | |
| B | Tighten to 45-65 Nm (33-48 Lb-Ft) | |
| C | Tighten to 35-45 Nm (26-33 Lb-Ft) | |
| D | Tighten to 20-30 Nm (15-22 Lb-Ft) | |
| E | Tighten to 2-3 Nm (18-27 Lb-In) |

| Item | Part Number | Description |
|---|---|---|
| 1 | 9D475 | EGR Valve |
| 2 | 9D476 | EGR Valve Gasket |
| 3 | 9424 | Upper Intake Manifold |
| 4A | 391213 | Stud (2 Req'd) |
| 5A | 376838 | Nut (2 Req'd) |
| A | Tighten to 12-18 Nm (106-159 Lb-In) |