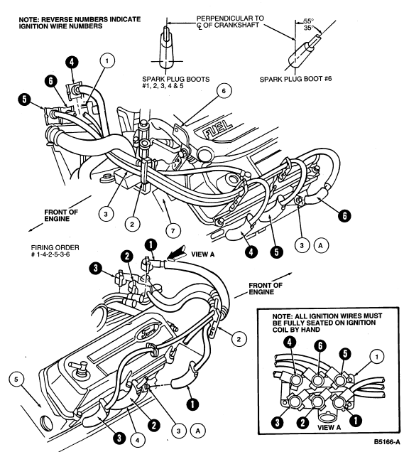
Section 03-07B: Ignition, Electronic | 1994 Mustang Workshop Manual |
| Description | Tool Number |
|---|---|
| Spark Plug Wire Remover | T74P-6666-A |
Removal
CAUTION: Do not pull on ignition wire.
When removing ignition wires from spark plugs (12405)
, use Spark Plug Wire Remover T74P-6666-A.
Grasp and twist the spark plug boot back and forth on the spark plug insulator
to free the ignition wire spark plug boot.
Use the special tool or equivalent to pull the boot from the spark plug
. Do not pull on the ignition wire directly, as it may
become separated from the connector inside the boot. 
CAUTION: Do not pull on ignition wire.
When removing ignition wires from the ignition coil (12029)
, squeeze the locking tabs of the ignition coil wire
retainer and remove using a twisting and pulling
motion. Do not pull on the ignition wire. 
Installation
CAUTION: Proper installation of ignition wires is critical to vehicle
operation. If one ignition wire is not properly installed on spark plug or
ignition coil, both spark plugs connected to that ignition coil may not fire
under load.

| Item | Part Number | Description |
|---|---|---|
| 1 | 12029 | Ignition Coil |
| 2 | 12297 | Ignition Wire Separator (5 Req'd) |
| 3A | 12405 | Spark Plug (6 Req'd) |
| 4 | 12286 | Ignition Wire (6 Req'd) |
| 5 | 6049 | RH Cylinder Head |
| 6 | 9J444 | Intake Manifold Support |
| 7 | 6049 | LH Cylinder Head |
| A | Tighten to 9-20 Nm (7-15 Lb-Ft) |