Section 03-04B: Fuel Charging and Controls—5.0L | 1994 Mustang Workshop Manual |
Removal
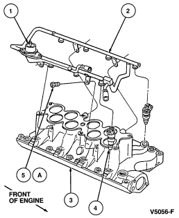
NOTE: It may be easier to remove fuel injectors (9F593) with the fuel injection supply manifold as an assembly.

| Item | Part Number | Description |
|---|---|---|
| 1 | 9C968 | Fuel Pressure Regulator |
| 2 | 9F792 | Fuel Injection Supply Manifold |
| 3 | 9424 | Lower Intake Manifold |
| 4 | 9F593 | Fuel Injector (8 Req'd) |
| 5A | 56703-S2 | Bolt (4 Req'd) |
| A | Tighten to 8-12 Nm (71-106 Lb-In) |
Installation
NOTE: When installing fuel injection supply manifold , particular attention should be paid to proper seating of O-rings to ensure that no fuel leaks exist.
The following items should be noted when service is required: