Section 03-04B: Fuel Charging and Controls—5.0L | 1994 Mustang Workshop Manual |
Removal
Installation
NOTE: If scraping is necessary, be careful not to damage gasket surfaces or allow material to drop into intake manifolds .

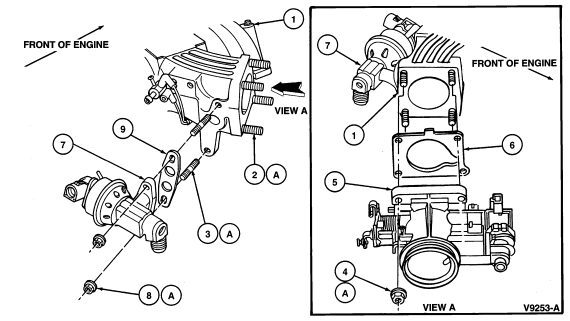
| Item | Part Number | Description |
|---|---|---|
| 1 | 9424 | Upper Intake Manifold |
| 2A | 390591-S8 | Stud (4 Req'd) |
| 3A | 391213 | Stud (2 Req'd) |
| 4A | 45357 | Nut (4 Req'd) |
| 5 | 9E926 | Throttle Body |
| 6 | 9E936 | Throttle Body Gasket |
| 7 | 9D475 | EGR Valve |
| 8A | 376838 | Nut (2 Req'd) |
| 9 | 9D476 | EGR Valve Gasket |
| A | Tighten to 16-24 Nm (12-18 Lb-Ft) |