Section 03-04B: Fuel Charging and Controls—5.0L | 1994 Mustang Workshop Manual |
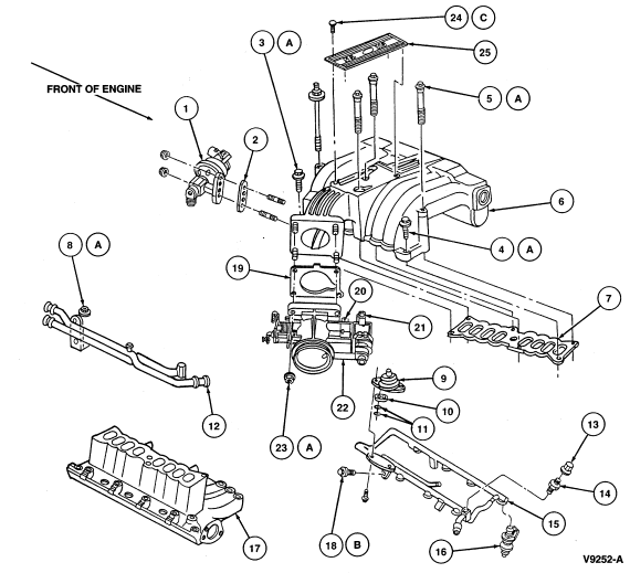
The intake manifold (9424) :

| Item | Part Number | Description |
|---|---|---|
| 1 | 9D475 | EGR Valve |
| 2 | 9D476 | EGR Valve Gasket |
| 3A | 390589 | Stud 5/16-18 x 1.62 |
| 4A | 390358 | Bolt 5/16-18 x 1.62 |
| 5A | 390653 | Bolt 5/16-18 x 6.07 (4 Req'd) |
| 6 | 9424 | Upper Intake Manifold |
| 7 | 9H486 | Intake Manifold Upper Gasket |
| 8A | 3370 | Nut and Washer |
| 9 | 9C968 | Fuel Pressure Regulator |
| 10 | N807244 | Fuel Pressure Regulator Return Seal |
| 11 | N807543 | O-Ring Seal (2 Req'd) |
| 12 | 9D424 | Intake Manifold Heater Inlet Tube |
| 13 | 9H323 | Fuel Pressure Relief Valve Cap |
| 14 | 9H321 | Fuel Pressure Relief Valve |
| 15 | 9F792 | Fuel Injection Supply Manifold |
| 16 | 9F593 | Fuel Injector |
| 17 | 9424 | Lower Intake Manifold |
| 18B | 56703 | Bolt 1/4-20 x .86 inch (4 Req'd) |
| 19 | 9E936 | Throttle Body Gasket |
| 20 | 9B989 | Throttle Position Sensor |
| 21 | 9F715 | Idle Air Control Valve |
| 22 | 9E926 | Throttle Body |
| 23A | 45357 | Nut (4 Req'd) |
| 24C | 390652 | Bolt (4 Req'd) |
| 25 | 9E434 | Intake Manifold Cover |
| A | Tighten to 16-24 Nm (12-18 Lb-Ft) | |
| B | Tighten to 8.5-12 Nm (75-105 Lb-In) | |
| C | Tighten to 2.5-4.0 Nm (23-33 Lb-In) |

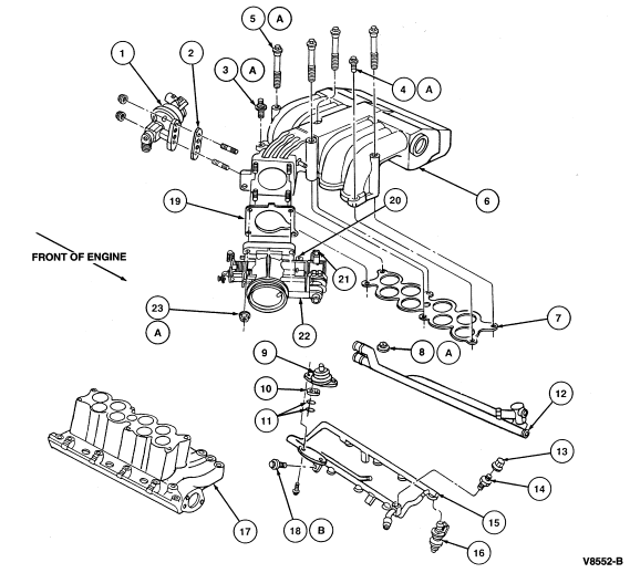
| Item | Part Number | Description |
|---|---|---|
| 1 | 9D475 | EGR Valve |
| 2 | 9D476 | EGR Valve Gasket |
| 3A | 390589 | Stud 5/16-18 x 1.62 |
| 4A | 390358 | Bolt 5/16-18 x 1.62 |
| 5A | 390653 | Bolt 5/16-18 x 6.07 (4 Req'd) |
| 6 | 9424 | Upper Intake Manifold |
| 7 | 9H486 | Intake Manifold Upper Gasket |
| 8A | 3370 | Nut and Washer |
| 9 | 9C968 | Fuel Pressure Regulator |
| 10 | N807244 | Fuel Pressure Regulator Return Seal |
| 11 | N807543 | O-Ring Seal (2 Req'd) |
| 12 | 9D424 | Intake Manifold Heater Inlet Tube |
| 13 | 9H323 | Fuel Pressure Relief Valve Cap |
| 14 | 9H321 | Fuel Pressure Relief Valve |
| 15 | 9F792 | Fuel Injection Supply Manifold |
| 16 | 9F593 | Fuel Injector |
| 17 | 9424 | Lower Intake Manifold |
| 18B | 56703 | Bolt 1/4-20 x .86 inch (4 Req'd) |
| 19 | 9E936 | Throttle Body Gasket |
| 20 | 9B989 | Throttle Position Sensor |
| 21 | 9F715 | Idle Air Control Valve |
| 22 | 9E926 | Throttle Body |
| 23A | 45357 | Nut (4 Req'd) |
| A | Tighten to 16-24 Nm (12-18 Lb-Ft) | |
| B | Tighten to 8.5-12 Nm (75-105 Lb-In) |