Section 03-04A: Fuel Charging and Controls—3.8L | 1994 Mustang Workshop Manual |
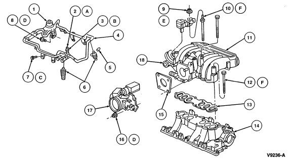
The intake manifold (9424) :

| Item | Part Number | Description |
|---|---|---|
| 1 | 9C968 | Fuel Pressure Regulator |
| 2A | 9H323 | Fuel Pressure Relief Valve Cap |
| 3B | 9H321 | Fuel Pressure Relief Valve |
| 4 | 9F792 | Fuel Injection Supply Manifold |
| 5 | N804836-S53 | Retaining Clip |
| 6 | 9F593 | Fuel Injector (6 Req'd) |
| 7C | N805117-S8M | Bolt (4 Req'd) |
| 8D | N606691-S2 | Bolt |
| 9E | N804758-S2 | Nut |
| 10F | N804835-S2 | Stud Bolt (2 Req'd) |
| 11 | 9424 | Upper Intake Manifold |
| 12F | N804839-S2 | Bolt (4 Req'd) |
| 13 | 9H486 | Intake Manifold Upper Gasket |
| 14 | 9424 | Lower Intake Manifold |
| 15 | 9E936 | Throttle Body Gasket |
| 16D | N804758-S2 | Nut (4 Req'd) |
| 17 | 9E926 | Throttle Body |
| 18 | 9D475 | EGR Valve |
| A | Tighten to 0.6 Nm (5.5 Lb-In) | |
| B | Tighten to 7.75 Nm (66 Lb-In) | |
| C | Tighten to 8-11 Nm (71-97 Lb-In) | |
| D | Tighten to 20-30 Nm (15-22 Lb-Ft) | |
| E | Tighten to 11-15 Nm (8-11 Lb-Ft) | |
| F |
Tighten in three steps: · 10 Nm (8 Lb-Ft) ·20 Nm (15 Lb-Ft) ·32 Nm (24 Lb-Ft) |