Section 03-01B: Engine, 5.0L HO and 5.0L Cobra | 1994 Mustang Workshop Manual |
DISASSEMBLY AND ASSEMBLY
Engine
Disassembly
NOTE: Before starting disassembly, remove all wiring harnesses, emission
control system, fuel system, ignition system, flywheel (6375)
, engine rear plate (7007)
and front end accessory drive components.
With engine mounted on a work stand:
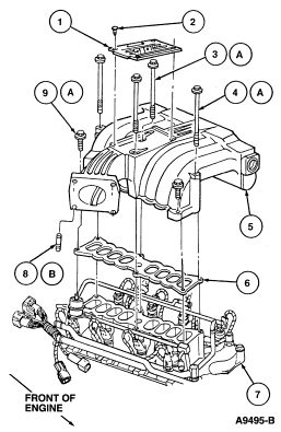
- Remove the upper and lower intake manifolds (9424)
as outlined.
- Remove the left and right hand valve covers (6582)
and discard the valve cover gaskets (6584)
.
Mustang

| Item |
Part Number |
Description |
|
1
|
9E434
|
Cover Plate
|
|
2
|
390652
|
Screw (4 Req'd)
|
|
3A
|
391176
|
Bolt (2 Req'd)
|
|
4A
|
56335
|
Bolt (2 Req'd)
|
|
5
|
9424
|
Upper Intake Manifold
|
|
6
|
9H486
|
Intake Manifold Upper Gasket
|
|
7
|
9424
|
Lower Intake Manifold
|
|
8B
|
390591
|
Stud (4 Req'd)
|
|
9A
|
390358
|
Bolt (2 Req'd)
|
|
A
|
|
Tighten to 16-24 Nm (12-18 Lb-Ft)
|
|
B
|
|
Tighten to 2.7-5.4 Nm (2-4 Lb-Ft)
|
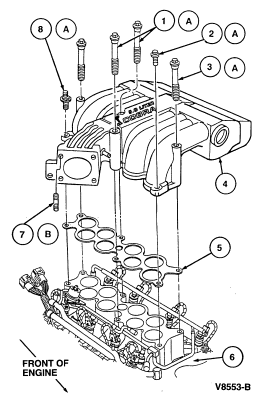
Cobra

| Item |
Part Number |
Description |
|
1A
|
391448
|
Bolt (2 Req'd)
|
|
2A
|
390358
|
Bolt
|
|
3A
|
390653
|
Bolt (2 Req'd)
|
|
4
|
9424
|
Upper Intake Manifold
|
|
5
|
9H486
|
Intake Manifold Upper Gasket
|
|
6
|
9424
|
Lower Intake Manifold
|
|
7B
|
—
|
Stud (4 Req'd)
|
|
8A
|
—
|
Stud Bolt
|
|
A
|
|
Tighten to 16-24 Nm (12-18 Lb-Ft)
|
|
B
|
|
Tighten to 2.7-5.4 Nm (2-4 Lb-Ft)
|
NOTE: All valve train components should be identified to ensure they are
installed in their original positions during assembly.
- Remove the oil level indicator (6750)
and oil level indicator tube (6754)
and remove the oil bypass filter (6714).
- Remove the rocker arms (6564), rocker arm seat (6A528)
, push rods (6565)
, valve tappet guide plates (6K512)
and valve tappets (6500)
and remove the cylinder heads (6049)
as outlined.
Mustang

| Item |
Part Number |
Description |
|
1A
|
390385
|
Bolt
|
|
2
|
6A528
|
Rocker Arm Seat
|
|
3
|
6564
|
Rocker Arm
|
|
4
|
6A588
|
Rocker Arm Fulcrum Guide
|
|
5
|
6049
|
Cylinder Head
|
|
A
|
|
Tighten to 24-34 Nm (18-25 Lb-Ft)
|
Cobra

| Item |
Part Number |
Description |
|
1
|
6564
|
Roller Rocker Arm
|
|
2A
|
391423
|
Bolt
|
|
3
|
6A588
|
Rocker Arm Fulcrum Guide
|
|
4
|
6049
|
Cylinder Head
|
|
A
|
|
Tighten to 24-34 Nm (18-25 Lb-Ft)
|
- Remove the crankshaft pulley (6312)
and damper as outlined.
- Remove the water pump (8501)
and engine front cover (6019)
as an assembly. Discard the engine timing cover gasket (6020) and crankshaft front seal (6700)
.
- Remove the oil pan (6675)
and discard the oil pan gasket (6710)
.
- Remove the oil pump (6600)
, oil pump screen cover and tube (6622)
and oil pump intermediate shaft (6A618)
.

| Item |
Part Number |
Description |
|
1A
|
33771-S2
|
Nut
|
|
2B
|
357235-S
|
Bolt (2 Req'd)
|
|
3
|
6626
|
Oil Pump Inlet Tube Gasket
|
|
4
|
6600
|
Oil Pump
|
|
5
|
6A618
|
Oil Pump Intermediate Shaft
|
|
6A
|
57647-S
|
Bolt (2 Req'd)
|
|
7
|
6622
|
Oil Pump Screen Cover and Tube
|
|
A
|
|
Tighten to 30-43 Nm (22-32 Lb-Ft)
|
|
B
|
|
Tighten to 16-24 Nm (12-18 Lb-Ft)
|
- Remove the crankshaft rear oil seal (6701)
.
- Remove the camshaft sprocket, retainer bolt and washer. Slide the sprockets
and timing chain forward and remove the chain and sprockets as an assembly.

- Remove the camshaft thrust plate (6269)
and remove the camshaft (6250)
.
NOTE: Pistons (6108), connecting rods (6200)
and connecting rod bearings (6211)
should be numbered to ensure they are assembled in their original
positions.
NOTE: Before removing pistons
, inspect the top of the cylinder bores. If necessary, remove
the ridge and/or carbon deposits from each cylinder using Rotunda Cylinder
Ridge Reamer 014-00292 or equivalent.
- Remove the connecting rod caps and remove the pistons
.
CAUTION: When removing the crankshaft (6303)
, take care not to damage any of the bearing surfaces on the crankshaft
or damage to engine may occur.
NOTE: The location of the main bearing caps and the crankshaft main bearings (6333)
should be identified. When the engine is assembled, crankshaft main bearings
which are to be reused should be installed in their original
positions.
- Remove the crankshaft main bearing caps, crankshaft main bearings
and crankshaft
.
- For cleaning purposes, the oil gallery and coolant drain plugs can be
removed.
Assembly
Before assembling cylinder block (6010)
, all sealing surfaces must be clean and free of chips, dirt,
paint and foreign material. Also ensure coolant and oil passages are clear.
If new piston rings are to be installed and no visible cross-hatch marks
remain on the cylinder wall, remove cylinder wall glaze using a spring-type
tool. Follow instructions of tool manufacturer.
NOTE: Lightly oil all retaining bolt and stud threads before installation,
except those specifying special sealant.
- Place upper crankshaft main bearings
in position in the bores with the tang fitting in the slot
provided. Lubricate crankshaft main bearings
with Engine Assembly Lubricant D9AZ-19579-D or equivalent
meeting Ford specification ESR-M99C80-A.
- Install the lower crankshaft main bearings
in the crankshaft main bearing caps.
- Carefully lower crankshaft
into place. Use care to prevent damage to bearing surfaces.
- Check clearance of each crankshaft main bearing
following the procedure under Fitting Main and Connecting Rod
Bearings in Section 03-00.
- After bearings have been fitted, apply a light coat of Engine Assembly
Lubricant D9AZ-19579-D or equivalent meeting Ford specification ESR-M99C80-A to
the journals and bearings.
CAUTION: Ensure main bearing caps are installed in their original position or
damage to engine may occur.
- Install all crankshaft main bearings
and caps except thrust bearing cap (No. 3 crankshaft thrust main bearing (6337)
). Tighten main bearing caps to 81-95 Nm
(60-70 lb-ft).
NOTE: Apply sealer Silicone Rubber D6AZ-19562-AA or BA or equivalent meeting
Ford specification ESB-M4G92-A and ESE-M4G195-A in a 1.59mm (1/16 inch) bead in
each corner of rear main bearing cap saddle and full length of the saddle.
- Install thrust main bearing cap (No. 3) with bolts finger-tight.

| Item |
Part Number |
Description |
|
1
|
388813
|
Bolt 5/8-18
|
|
2
|
6378
|
Damper Washer
|
|
3
|
6312
|
Crankshaft Pulley
|
|
4
|
6316
|
Crankshaft Damper
|
|
5
|
6306
|
Crankshaft Sprocket
|
|
6
|
388907
|
Crankshaft Key
|
|
7
|
6303
|
Crankshaft
|
|
8
|
6333
|
Upper Crankshaft Main Bearing
|
|
9
|
6337
|
Upper Crankshaft Thrust Main Bearing
|
|
10
|
6375
|
Flywheel
|
|
11
|
6701
|
Crankshaft Rear Oil Seal
|
|
12
|
6333
|
Lower Crankshaft Main Bearing
|
|
13
|
6337
|
Lower Crankshaft Thrust Main Bearing
|
|
14
|
—
|
Main Bearing Rear Cap (Part of 6010)
|
|
15
|
—
|
Main Bearing Rear Intermediate Cap (Part of 6010)
|
|
16
|
—
|
Main Bearing Center Cap (Part of 6010)
|
|
17
|
—
|
Main Bearing Front Intermediate Cap (Part of 6010)
|
|
18
|
—
|
Main Bearing Front Cap (Part of 6010)
|
|
19
|
391546
|
Main Bearing Cap Stud
|
|
20
|
391547
|
Main Bearing Cap Bolt (9 Req'd)
|
|
21
|
N804586-S2
|
Bolt (4 Req'd)
|
- Pry crankshaft
forward against thrust surface of upper crankshaft thrust main bearing
.
- Hold crankshaft
forward and pry main thrust bearing cap to the rear. This will
align thrust surfaces of both halves of crankshaft thrust main bearing.
- Retain forward pressure on crankshaft
. Tighten cap bolts to 81-95 Nm (60-70 lb-ft).
- Force crankshaft
toward the rear of engine.

- Check crankshaft end play. Refer to Section 03-00.
- Install crankshaft rear oil seal
as outlined. Install engine rear plate
and flywheel
. Tighten bolts to 102-115 Nm
(75-85 lb-ft).
- Coat all camshaft bearings (6261)
, camshaft lobes and gear with Engine
Assembly Lubricant D9AZ-19579-D or equivalent meeting Ford specification
ESR-M99C80-A.
- Carefully slide camshaft
through camshaft bearings
. Install camshaft thrust plate
with groove toward cylinder block
. Tighten thrust plate retaining bolts to 12-16 Nm
(9-12 lb-ft).

| Item |
Part Number |
Description |
|
1
|
6256
|
Camshaft Sprocket
|
|
2
|
6268
|
Timing Chain
|
|
3
|
6261
|
Camshaft Bearing (5 Req'd)
|
|
4
|
6266
|
Camshaft Rear Bearing Cover
|
|
5
|
6250
|
Camshaft
|
|
6
|
391269
|
Dowel Pin
|
|
7
|
6269
|
Camshaft Thrust Plate
|
|
8
|
390392
|
Thrust Plate Bolt (2 Req'd)
|
|
9
|
43002
|
Bolt
|
|
10
|
6278
|
Camshaft Sprocket Washer
|
- Check camshaft end play. Refer to Section 03-00. If not within
specification, replace camshaft thrust plate
.
- Install camshaft sprocket, timing chain and crankshaft sprocket. Position
camshaft sprocket and timing chain on camshaft
and crankshaft sprocket simultaneously. Ensure timing
marks on the sprockets are aligned.
- Install washer and camshaft sprocket retainer bolt. Tighten camshaft
sprocket retainer bolt to 54-61 Nm (40-55 lb-ft).

- Oil the piston rings, pistons
and cylinder walls with clean engine oil
XO-10W30-QSP or DSP or equivalent meeting Ford specification ESE-M2C153-E. Be
sure to install the pistons
in the same cylinders from which they were
removed.
- Ensure the ring gaps are properly spaced around the circumference of the piston
. Refer to Piston and Connecting Rod Installation as outlined.
CAUTION: Install piston
with indentation notch in the piston head toward front of
engine or damage to engine may occur.
- Install Rotunda Piston Ring Compressor 014-000290 or equivalent on the piston
and push piston
in with a hammer handle until it is slightly below top
of cylinder. Be sure to guide connecting rods
to avoid damaging crankshaft journals (cover
studs).

- Check clearance of each connecting rod bearing
. Refer to procedure in Section 03-00.
- After connecting rod bearings
have been fitted, apply a light coat of
Engine Assembly Lubricant D9AZ-19579-D or equivalent meeting Ford specification
ESR-M99C80-A to the journals and connecting rod bearings
.
- Turn the crankshaft throw to the bottom of its stroke. Push piston
all the way down until connecting rod bearing
seats on the crankshaft journal.
- Install connecting rod cap. Tighten nuts to 26-32 Nm
(19-24 lb-ft).
- After piston
and connecting rods
have been installed, check side clearance between connecting rods
on each crankshaft journal.

- Prime the oil pump
and install oil pump intermediate shaft
and oil pump screen cover and tube
. Tighten oil pump retaining bolts to 30-43 Nm
(22-32 lb-ft).

| Item |
Part Number |
Description |
|
1A
|
33771-S2
|
Nut
|
|
2B
|
357235-S
|
Bolt (2 Req'd)
|
|
3
|
6626
|
Oil Pump Inlet Tube Gasket
|
|
4
|
6600
|
Oil Pump
|
|
5
|
6A618
|
Oil Pump Intermediate Shaft
|
|
6A
|
57647-S
|
Bolt (2 Req'd)
|
|
7
|
6622
|
Oil Pump Screen Cover and Tube
|
|
A
|
|
Tighten to 30-43 Nm (22-32 Lb-Ft)
|
|
B
|
|
Tighten to 16-24 Nm (12-18 Lb-Ft)
|
- Install crankshaft front seal
in engine front cover
as outlined.
- Install crankshaft front seal
, engine timing cover gasket
and engine front cover
. Tighten engine front cover bolts to 16-24 Nm
(12-18 lb-ft). (Refer to procedure in this section.) Also
install crankshaft damper and crankshaft pulley
and tighten bolt to 149-176 Nm (110-130
lb-ft).
- Install new oil bypass filter
.
- Install oil pan gasket
and oil pan
. Tighten the oil pan bolts to 12-16 Nm
(110-144 lb-in).
- Install valve tappets
in their original bores.
- Install valve tappet guide plates
and valve tappet guide plate retainers (6C515)
. Tighten bolts and washers to 8-12 Nm
(71-106 lb-in).
NOTE: If cylinder heads
were completely disassembled, refer toCylinder Head
Disassembly and Assembly as outlined.
- Position head gaskets (6051)
on cylinder block
. Install cylinder head to block dowels (6A008)
. Install cylinder heads
.
CAUTION: Cylinder head retaining bolts must be replaced with new bolts, DO NOT
REUSE original cylinder head retaining bolts. They are torque-to-yield bolts
and cannot be reused or possible engine damage may occur.
- The cylinder head bolts are tightened in three steps:
Refer to the following illustration for the tightening
sequence.
- Tighten all bolts in sequence to 34-47 Nm (25-35 lb-ft).
- Tighten all bolts in sequence to 61-75 Nm (45-55 lb-ft).
- Tighten all bolts in sequence an additional 1/4 turn (85-95 degrees).
NOTE: The RH cylinder head
has one stud at location 8. The LH cylinder head
does not.

- Install push rods
, rocker arm fulcrum guides (6A588)
, rocker arm seats
and rocker arms
or roller rocker arms
and tighten rocker arm bolts to 24-34 Nm
(18-25 lb-ft).
NOTE: Sealer sets up in 15 minutes so it is important that assembly be
completed promptly.
- Apply sealer at points shown and install intake manifold gaskets (9439)
and end seals.

- Install lower and upper intake manifold
. Use guide pins to ease installation of intake manifold
onto cylinder head
.
- Tighten intake manifold bolts as outlined.
Mustang Shown, Cobra Similar

- Install oil level indicator tube
and oil level indicator
.
- Position valve cover gaskets
in each valve cover
and install valve covers
. Install valve cover bolts and tighten to 16-20 Nm
(12-15 lb-ft).

- Install wiring harnesses, water pump
, emission control system, fuel system, and ignition
system and front end accessory drive components. Refer to appropriate engine
section.