Section 03-01A: Engine, 3.8L | 1994 Mustang Workshop Manual |
Removal
NOTE: If crankshaft sprocket (6306) is difficult to remove, pry crankshaft sprocket off shaft using a pair of large screwdrivers positioned on both sides of the crankshaft sprocket .
NOTE: The engine front cover contains the oil pump gears and water pump (8501) . If a new engine front cover is to be installed, remove the water pump and oil pump gears from the old engine front cover . Refer to Engine Front Cover.


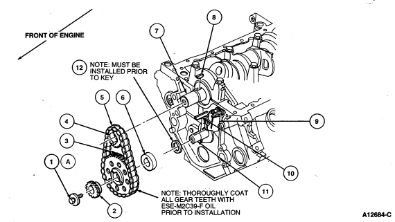
| Item | Part Number | Description |
|---|---|---|
| 1A | N805503-S100 | Camshaft Sprocket Retaining Bolt and Washer |
| 2 | 6255 | Distributor Drive Gear |
| 3 | 6256 | Camshaft Sprocket |
| 4 | 6306 | Crankshaft Sprocket |
| 5 | 6268 | Timing Chain/Belt |
| 6 | 6K305 | Engine Balance Shaft Gear Spacer |
| 7 | 6303 | Crankshaft |
| 8 | 388907-S | Crankshaft Key |
| 9 | 6284 | Timing Chain Vibration Damper |
| 10 | N805256-S | Camshaft Sprocket Key |
| 11 | 6250 | Camshaft |
| 12 | 6265 | Camshaft Sprocket Spacer |
| A | Tighten to 40-50 Nm (30-37 Lb-Ft) |
Installation
Install camshaft sprocket, crankshaft sprocket
and timing chain. Ensure timing marks line up across from each
other.