Section 01-16: Wiper and Washer Systems | 1994 Mustang Workshop Manual |
Removal and Installation

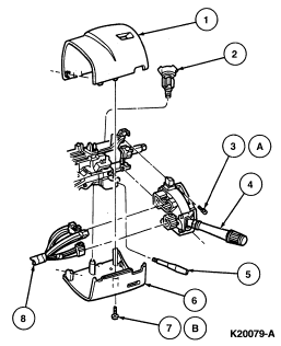
| Item | Part Number | Description |
|---|---|---|
| 1 | 3530 | Steering Column Shroud |
| 2 | 11572 | Ignition Switch |
| 3A | 390345-S36 | Screw (2 Req'd) |
| 4 | 13K359 | Turn Signal and Windshield Wiper Switch |
| 5 | 3F609 | Tilt Wheel Handle and Shank |
| 6 | 3533 | Steering Column Lower Shroud |
| 7B | 55929S2 | Screw (4 req'd) |
| 8 | 14401 | Main Wiring |
| A | Tighten to 2.1-2.9 Nm (19-25 Lb-In) | |
| B | Tighten to 0.6-1.0 Nm (6-8 Lb-In) |