Section 01-11: Glass, Frames and Mechanisms | 1994 Mustang Workshop Manual |
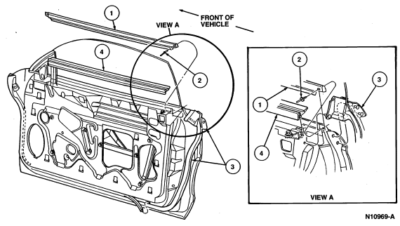
NOTE: Remove center pin from rivet with a drift punch. Then drill out remainder of rivet, using care not to enlarge sheet metal retaining hole.

| Item | Part Number | Description |
|---|---|---|
| 1 | 21452 RH 21453 LH |
Front Door Glass Belt Line Outside Weatherstrip |
| 2 | N808376-S417 | Rivet |
| 3 | 20530 RH 20531 LH |
Front Door Weatherstrip |
| 4 | 21434 RH 21435 LH |
Door Glass Belt Inside Weatherstrip |