Section 01-11: Glass, Frames and Mechanisms | 1994 Mustang Workshop Manual |
Removal and Installation

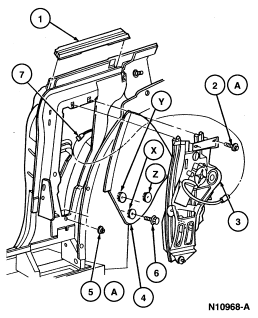
| Item | Part Number | Description |
|---|---|---|
| 1 | 297B06 RH 297B07 LH |
Quarter Window Belt Weatherstrip |
| 2A | N802408-S2 | Screw and Washer (2 Req'd) |
| 3 | 30306 | Quarter Window Regulator |
| 4 | 29710 | Opera Window Glass |
| 5A | N800251-S36 | Nut and Washer |
| 6 | N808375-S36 | Rivet (3 Req'd) |
| 7 | 14401 | Main Wiring |
| A | Tighten to 7.5-10.5 Nm (67-92 Lb-In) |