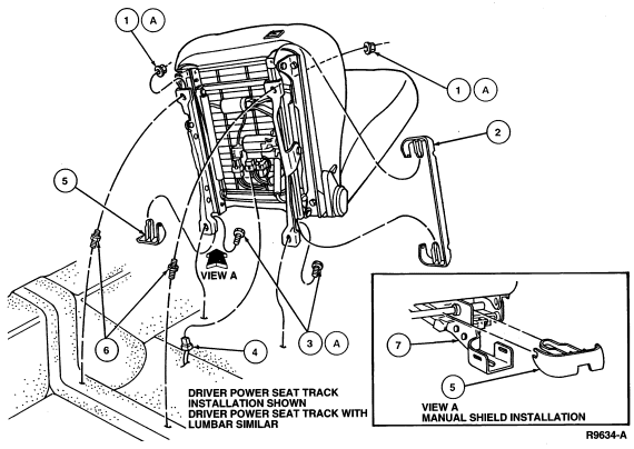
Section 01-10: Seats and Tracks | 1994 Mustang Workshop Manual |
Removal and Installation
CAUTION: Use care when handling seat and track assembly. Dropping assembly or
sitting on seat not secured in vehicle may result in damaged components.

| Item | Part Number | Description |
|---|---|---|
| 1 | 61748 | Front Seat Track to Floor Insulator |
| 2A | N801954-S58 | Screw (2 Req'd) |
| 3 | — | Power Lumbar Support Connector |
| 4 | 63100 | Front Seat Cushion Frame and Spring (Part of A3100 Cobra) |
| 5A | N621942-S58 | Nut and Washer Assy (2 Req'd) |
| 6 | 61705 | Front Seat Track |
| 7 | 61748 | Front Seat Track to Floor Insulator (2 Req'd) |
| 8 | N801366-S2 | Stud (2 Req'd) |
| 9 | 388246 | Push Pin (2 Req'd) |
| 10 | 61705 | Front Seat Track |
| 11 | N803946-S | Push Pin (2 Req'd) |
| A | Tighten to 34-46 Nm (25-34 Lb-Ft) |

| Item | Part Number | Description |
|---|---|---|
| 1A | N621942-S58 | Nut and Washer (2 Req'd) |
| 2 | 62126 | Front Seat Track Lower Shield |
| 3A | N801932-S58 | Screw (2 Req'd) |
| 4 | 14A005 | Body Main Wiring |
| 5 | 62170 | Front Seat Track Rear Shield |
| 6 | N801366-S2 | Stud (2 Req'd) |
| 7 | 61705 | Front Seat Track |
| A | Tighten to 34-46 Nm (25-34 Lb-Ft) |