Section 15-00: Audio Systems—Service | 1994 Mustang Workshop Manual |


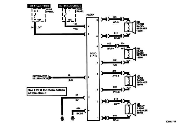
| Pin Number | Circuit | Circuit Function |
|---|---|---|
| 1 | 54 (LG/Y) | 12V Radio Memory |
| 2 | 57 (BK) | Ground |
| 3 | 137 (Y/BK) | 12V Power Feed |
| 4 | 19 (LB/R) | Instrument Dimming |
| 5 | — | Not Used |
| 6 | 694 (BK/LG) | Ground |
| 7 | — | Not Used |
| 8 | — | Not Used |

| Pin Number | Circuit | Circuit Function |
|---|---|---|
| 1 | 804 (O/LG) | Left Front Radio Speaker Signal (+) |
| 2 | 813 (LB/W) | Left Front Radio Speaker Signal (-) |
| 3 | 801 (PK/LB) | Left Rear Radio Speaker Signal (-) |
| 4 | 800 (GY/LB) | Left Rear Radio Speaker Signal (+) |
| 5 | 805 (W/LG) | Right Front Radio Speaker Signal (+) |
| 6 | 811 (DG/O) | Right Front Radio Speaker Signal (-) |
| 7 | 802 (O/R) | Right Rear Radio Speaker Signal (+) |
| 8 | 803 (BR/PK) | Right Rear Radio Speaker Signal (-) |


| Pin Number | Circuit | Circuit Function |
|---|---|---|
| 1 | 802 (O/R) | Right Rear Radio Speaker (-) Output |
| 2 | 802 (O/R) | Right Rear Radio Speaker (+) Output |
| 3 | 811 (DG/O) | Right Front Radio Speakers (-) Output |
| 4 | 805 (W/LG) | Right Front Radio Speakers (+) Output |
| 5 | 801 (T/Y) | Left Rear Radio Speaker (-) Output |
| 6 | 800 (GY/LB) | Left Rear Radio Speaker (+) Output |
| 7 | 813 (LB/W) | Left Front Radio Speakers (-) Output |
| 8 | 804 (O/LG) | Left Front Radio Speakers (+) Output |
| 9 | — | Not Used |
| 10 | — | Not Used |
| 11 | — | Not Used |
| 12 | 689 (DB) | Radio Chassis On Input |
| 13 | 694 (BK/LG) | Ground |
| 14 | 37 (Y) | 12V Power Feed |

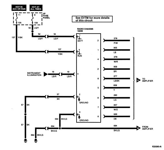
| Pin Number | Circuit | Circuit Function |
|---|---|---|
| 1 | 857 (W/O) | Left Front Radio Speaker Signal (-) |
| 2 | 859 (Y) | Left Rear Radio Speaker Signal (-) |
| 3 | 858 (BR) | Right Front Radio Speaker Signal (-) |
| 4 | 855 (LB) | Right Rear Radio Speaker Signal (-) |
| 5 | 280 (LG) | Left Front Radio Speaker Signal (+) |
| 6 | 277 (LB/BK) | Left Rear Radio Speaker Signal (+) |
| 7 | 279 (W/R) | Right Front Radio Speaker Signal (+) |
| 8 | 278 (P/W) | Right Rear Radio Speaker Signal (+) |

| Pin Number | Circuit | Circuit Function |
|---|---|---|
| 1 | 54 (LG/Y) | 12V Radio Chassis Memory |
| 2 | 57 (BK) | Ground |
| 3 | 137 (Y/BK) | 12V Power Feed |
| 4 | 19 (LB/R) | Instrument Dimming |
| 5 | — | Not Used |
| 6 | 694 (BK/LG) | Ground |
| 7 | — | Not Used |
| 8 | 689 (DB) | Radio Chassis On Output |

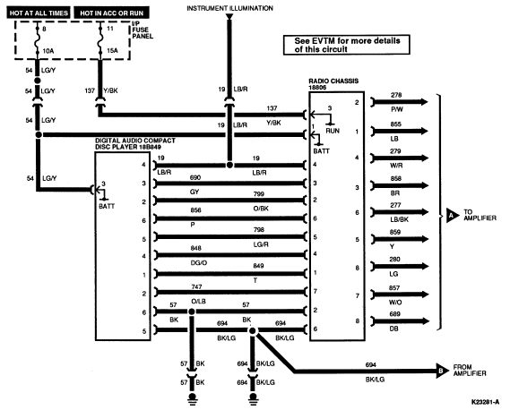
| Pin Number | Circuit | Circuit Function |
|---|---|---|
| 1 | 855 (LB) | Right Rear Radio Speaker Signal (-) |
| 2 | 278 (P/W) | Right Rear Radio Speaker Signal (+) |
| 3 | 858 (BR) | Right Front Radio Speaker Signal (-) |
| 4 | 279 (W/R) | Right Front Radio Speaker Signal (+) |
| 5 | 859 (Y) | Left Rear Radio Speaker Signal (-) |
| 6 | 277 (LB/BK) | Left Rear Radio Speaker Signal (+) |
| 7 | 857 (W/O) | Left Front Radio Speaker Signal (-) |
| 8 | 280 (LG) | Left Front Radio Speaker Signal (+) |



| Pin Number | Circuit | Circuit Function |
|---|---|---|
| 1 | — | Not Used |
| 2 | 747 (O/LB) | Radio On Input |
| 3 | 54 (LG/Y) | Power |
| 4 | 19 (LB/R) | Instrument Dimming |
| 5 | 694 (BK/LG) | Ground |
| 6 | 57 (BK) | Ground |

| Pin Number | Circuit | Circuit Function |
|---|---|---|
| 1 | 849 (T) | Logic Sense |
| 2 | 799 (O/BK) | Right Channel Signal Out |
| 3 | 690 (GY) | Right Channel Signal In |
| 4 | 848 (DG/O) | Processor Loop Signal Return |
| 5 | 798 (LG/R) | Left Channel Signal Out |
| 6 | 856 (P) | Left Channel Signal In |

| Pin Number | Circuit | Circuit Function |
|---|---|---|
| 1 | 54 (LG/Y) | 12V Radio Memory |
| 2 | 57 (BK) | Ground |
| 3 | 137 (Y/BK) | 12V Power Feed |
| 4 | 19 (LB/R) | Instrument Dimming |
| 5 | — | Not Used |
| 6 | 694 (BK/LG) | Ground |
| 7 | 747 (O/LB) | Radio On Output |
| 8 | 689 (DB) | Radio On Output |

| Pin Number | Circuit | Circuit Function |
|---|---|---|
| 1 | 855 (LB) | Right Rear Speaker Signal (-) |
| 2 | 278 (P/W) | Right Rear Speaker Signal (+) |
| 3 | 858 (BR) | Right Front Speaker Signal (-) |
| 4 | 279 (W/R) | Right Front Speaker Signal (+) |
| 5 | 859 (Y) | Left Rear Speaker Signal (-) |
| 6 | 277 (LB/BK) | Left Rear Speaker Signal (+) |
| 7 | 857 (W/O) | Left Front Speaker Signal (-) |
| 8 | 280 (LG) | Left Front Speaker Signal (+) |

| Pin Number | Circuit | Circuit Function |
|---|---|---|
| 1 | 849 (T) | Logic Sense |
| 2 | 799 (O/BK) | Right Channel Signal (-) |
| 3 | 690 (GY) | Right Channel Signal (+) |
| 4 | 848 (DG/O) | Signal Return |
| 5 | 798 (LG/R) | Left Channel Signal (-) |
| 6 | 856 (P) | Left Channel Signal (+) |

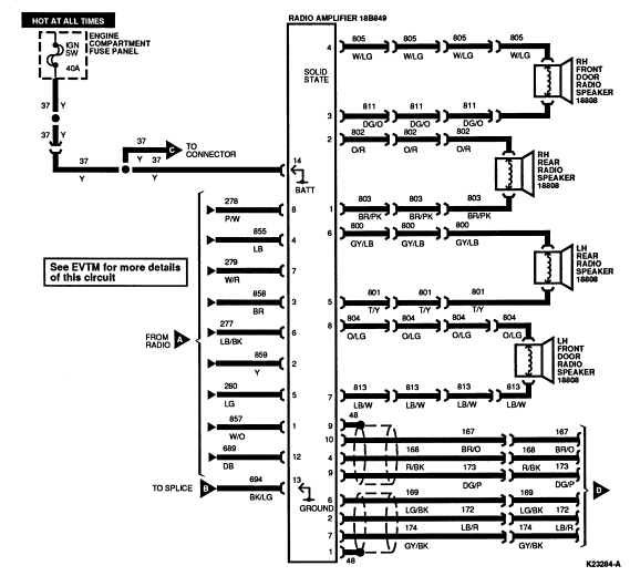
| Pin Number | Circuit | Circuit Function |
|---|---|---|
| 1 | 803 (BR/PK) | Right Rear Speaker (-) Output |
| 2 | 802 (O/R) | Right Rear Speaker (+) Output |
| 3 | 811 (DG/O) | Right Front Speaker (-) Output |
| 4 | 805 (W/LG) | Right Front Speaker (+) Output |
| 5 | 801 (T/Y) | Left Rear Speaker (-) Output |
| 6 | 800 (GY/LB) | Left Rear Speaker (+) Output |
| 7 | 813 (LB/W) | Left Front Speaker (-) Output |
| 8 | 804 (O/LG) | Left Front Speaker (+) Output |
| 9 | — | Not Used |
| 10 | — | Not Used |
| 11 | — | Not Used |
| 12 | 689 (DB) | Radio On Input |
| 13 | 694 (BK/LG) | Ground |
| 14 | 37 (Y) | 12V Power Feed |

| Pin Number | Circuit | Circuit Function |
|---|---|---|
| 1 | 857 (W/O) | Left Front Speaker Signal (-) |
| 2 | 859 (Y) | Left Rear Speaker Signal (-) |
| 3 | 858 (BR) | Right Front Speaker Signal (-) |
| 4 | 855 (LB) | Right Rear Speaker Signal (-) |
| 5 | 280 (LG) | Left Front Speaker Signal (+) |
| 6 | 277 (LB/BK) | Left Rear Speaker Signal (+) |
| 7 | 279 (W/R) | Right Front Speaker Signal (+) |
| 8 | 278 (P/W) | Right Rear Speaker Signal (-) |


| Pin Number | Circuit | Circuit Function |
|---|---|---|
| 1 | 54 (LG/Y) | 12V Radio Memory |
| 2 | 57 (BK) | Ground |
| 3 | 137 (Y/BK) | 12V Power Feed |
| 4 | 19 (LB/R) | Instrument Dimming |
| 5 | — | Not Used |
| 6 | 694 (BK/LG) | Ground |
| 7 | — | Not Used |
| 8 | 689 (DB) | Radio On Output |

| Pin Number | Circuit | Circuit Function |
|---|---|---|
| 1 | 855 (LB) | Right Rear Speaker Signal (-) |
| 2 | 278 (P/W) | Right Rear Speaker Signal (+) |
| 3 | 858 (BR) | Right Front Speaker Signal (-) |
| 4 | 279 (W/R) | Right Front Speaker Signal (+) |
| 5 | 859 (Y) | Left Rear Speaker Signal (-) |
| 6 | 277 (LB/BK) | Left Rear Speaker Signal (+) |
| 7 | 857 (W/O) | Left Front Speaker Signal (-) |
| 8 | 280 (LG) | Left Front Speaker Signal (+) |


| Pin Number | Circuit | Circuit Function |
|---|---|---|
| 1 | — | Not Used |
| 2 | 747 (O/LB) | Radio On Input |
| 3 | 54 (LG/Y) | Power |
| 4 | 19 (LB/R) | Instrument Dimming |
| 5 | 694 (BK/LG) | Ground |
| 6 | 57 (BK) | Ground |

| Pin Number | Circuit | Circuit Function |
|---|---|---|
| 1 | 849 (T) | Logic Sense |
| 2 | 799 (O/BK) | Right Channel Signal Out |
| 3 | 690 (GY) | Right Channel Signal In |
| 4 | 848 (DG/O) | Processor Loop Signal Return |
| 5 | 798 (LG/R) | Left Channel Signal Out |
| 6 | 856 (P) | Left Channel Signal In |

| Pin Number | Circuit | Circuit Function |
|---|---|---|
| 1 | 54 (LG/Y) | 12V Radio Memory |
| 2 | 57 (BK) | Ground |
| 3 | 137 (Y/BK) | 12V Power Feed |
| 4 | 19 (LB/R) | Instrument Dimming |
| 5 | — | Not Used |
| 6 | 694 (BK/LG) | Ground |
| 7 | 747 (O/LB) | Radio On Input |
| 8 | 689 (DB) | Radio On Output |

| Pin Number | Circuit | Circuit Function |
|---|---|---|
| 1 | 855 (LB) | Right Rear Speaker Signal (-) |
| 2 | 278 (P/W) | Right Rear Speaker Signal (+) |
| 3 | 858 (BR) | Right Front Speaker Signal (-) |
| 4 | 279 (W/GR) | Right Front Speaker Signal (+) |
| 5 | 859 (Y) | Left Rear Speaker Signal (-) |
| 6 | 277 (LB/BK) | Left Rear Speaker Signal (+) |
| 7 | 857 (W/O) | Left Front Speaker Signal (-) |
| 8 | 280 (LG) | Left Front Speaker Signal (+) |

| Pin Number | Circuit | Circuit Function |
|---|---|---|
| 1 | 849 (T) | Logic Sense |
| 2 | 799 (O/BK) | Right Channel Signal (-) |
| 3 | 690 (GY) | Right Channel Signal (+) |
| 4 | 848 (DG/O) | Signal Return |
| 5 | 798 (LG/R) | Left Channel Signal (-) |
| 6 | 856 (P) | Left Channel Signal (+) |


| Pin Number | Circuit | Circuit Function |
|---|---|---|
| 1 | 803 (DG/O) | RH RR Radio Speaker (-) Output |
| 2 | 802 (O/R) | RH RR Radio Speaker (+) Output |
| 3 | 811 (DG/O) | RH FR Radio Speaker (-) Output |
| 4 | 805 (W/LG) | RH FR Radio Speaker (+) Output |
| 5 | 801 (PK/LB) | LH RR Radio Speaker (-) Output |
| 6 | 800 (GY/LB) | LH RR Radio Speaker (+) Output |
| 7 | 813 (LB/W) | LH FR Radio Speaker (-) Output |
| 8 | 804 (O/LG) | LH FR Radio Speaker (+) Output |
| 9 | — | Not Used |
| 10 | — | Not Used |
| 11 | — | Not Used |
| 12 | 689 (DB) | Radio On Input |
| 13 | 694 (BK/LG) | Ground |
| 14 | 37 (Y) | 12 V Power Supply |

| Pin Number | Circuit | Circuit Function |
|---|---|---|
| 1 | 857 (W/O) | Left Front Speaker Signal (-) |
| 2 | 859 (Y) | Left Rear Speaker Signal (-) |
| 3 | 858 (BR) | Right Front Speaker Signal (-) |
| 4 | 855 (LB) | Right Rear Speaker Signal (-) |
| 5 | 280 (LG) | Left Front Speaker Signal (+) |
| 6 | 277 (LB/BK) | Left Rear Speaker Signal (+) |
| 7 | 279 (W/R) | Right Front Speaker Signal (+) |
| 8 | 278 (P/W) | Right Rear Speaker Signal (-) |

| Pin Number | Circuit | Circuit Function |
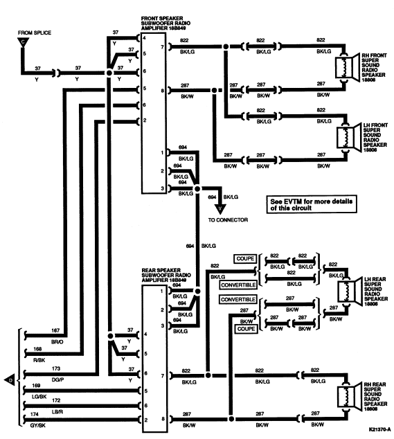
|---|---|---|
| 1 | 48 | Rear Speaker Amplifier Shield |
| 2 | 172 (LB/R) | Low Audio (-) |
| 3 | 48 | Front Speaker Amplifier Shield |
| 4 | 168 (R/BK) | High Audio (-) |
| 5 | — | Not Used |
| 6 | — | Not Used |
| 7 | 174 (GY/BK) | Low Audio Mute |
| 8 | 169 (LG/BK) | Low Audio (+) |
| 9 | 173 (DG/P) | High Audio Mute |
| 10 | 167 (BR/O) | High Audio (+) |
| 11 | — | Not Used |
| 12 | — | Not Used |


| Pin Number | Circuit | Circuit Function |
|---|---|---|
| 1 | 694 (BK/LG) | Ground |
| 2 | 694 (BK/LG) | Ground |
| 3 | 694 (BK/LG) | Ground |
| 4 | 37 (Y) | 12V Power Feed |
| 5 | 37 (Y) | 12V Power Feed |
| 6 | 37 (Y) | 12V Power Feed |
| 7 | 822 (BK/LG) | Audio Out (+) |
| 8 | 287 (BK/W) | Audio Out (-) |
| 9 | — | Not Used |
| 10 | — | Not Used |

| Pin Number | Circuit | Circuit Function |
|---|---|---|
| 1 | — | Not Used |
| 2 | 173 (DG/P) | Audio Mute |
| 3 | — | Not Used |
| 4 | — | Not Used |
| 5 | 167 (BR/O) | Audio Input (+) |
| 6 | 168 (R/BK) | Audio Input (-) |

| Pin Number | Circuit | Circuit Function |
|---|---|---|
| 1 | 694 (BK/LG) | Ground |
| 2 | 694 (BK/LG) | Ground |
| 3 | 694 (BK/LG) | Ground |
| 4 | 37 (Y) | 12V Power Feed |
| 5 | 37 (Y) | 12V Power Feed |
| 6 | 37 (Y) | 12V Power Feed |
| 7 | 822 (BK/LG) | Audio Out (+) |
| 8 | 287 (BK/W) | Audio Out (-) |
| 9 | — | Not Used |
| 10 | — | Not Used |

| Pin Number | Circuit | Circuit Function |
|---|---|---|
| 1 | — | Not Used |
| 2 | 174 (GY/BK) | Audio Mute |
| 3 | — | Not Used |
| 4 | — | Not Used |
| 5 | 169 (LG/BKBR/O) | Audio Input (+) |
| 6 | 172 (LB/R) | Audio Input (-) |