Section 13-00: Instrument Cluster and Panel Lighting | 1994 Mustang Workshop Manual |


| Pin Number | Circuit | Circuit Function |
|---|---|---|
| 1 | 640 (R/Y) | 12V Input |
| 2 | 563 (O/Y) | Ground |
| 3 | 39 (R/W) | Water Temperature Gauge Feed |
| 4 | 29 (Y/W) | Fuel Gauge Feed |
| 5 | 57 (BK) | Ground |
| 6 | 16 (R/LG) | Ignition Switch Feed |
| 7 | 904 (LG/R) | Charge Indicator |
| 8 | 658 (PK/LG) | Malfunction Indicator Lamp (MIL) Feed |
| 9 | 911 (W/LG) | Transmission Control Indicator Lamp (TCIL) |
| 10 | 640 (R/Y) | 12V Input |
| 11 | 676 (PK/O) | Speedometer Ground |
| 12 | 679 (GY/BK) | Vehicle Speed Sensor (VSS) |
| 13 | 54 (LG/Y) | Battery Power |
| 14 | 343 (DB/LG) | Anti-Theft Indicator |
| 15 | 932 (GY/W) | Hi Beam Indicator |
| 16 | 3 (LG/W) | Left Turn Indicator |

| Pin Number | Circuit | Circuit Function |
|---|---|---|
| 1 | 2 (W/LB) | Right Turn Indicator |
| 2 | 794 (LB) | Low Coolant Indicator Feed |
| 3 | 608 (BK/Y) | Air Bag Indicator Feed |
| 4 | 128 (P/Y) | Brake Indicator Feed |
| 5 | 603 (DG) | Anti-Lock Indicator Feed |
| 6 | 397 (BK/W) | Ground |
| 7 | 11 (T/Y) | Tachometer Feed |
| 8 | 651 (BK/Y) | Ground |
| 9 | 640 (R/Y) | 12V Input |
| 10 | 208 (GY) | Low Oil Indicator |
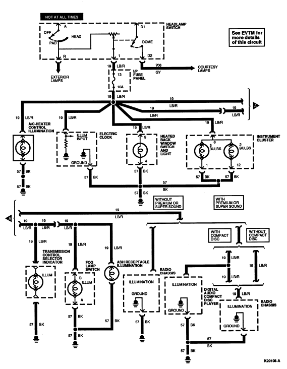
| 11 | 19 (LB/R) | Illumination Lamps Feed |
| 12 | 450 (DG/LG) | Fasten Belts Indicator |
| 13 | 640 (R/Y) | 12V Input |
| 14 | 875 (BK/LB) | Ground |
| 15 | 31 (W/R) | Oil Pressure Gauge Feed |
| 16 | 57 (BK) | Ground |

| Pin Number | Circuit | Circuit Function |
|---|---|---|
| B1 | 38 (BK/O) | Power Supply to Battery |
| B2 | 195 (T/W) | Tail Lamp Switch Feed |
| I | 19 (LB/R) | Instrument Panel Lamp Feed |
| IGN | — | Not Used |
| R | 14 (BR) | Headlamp Switch to Tail Lamp and Sidemarker Lamps |
| H | 15 (R/Y) | Headlamp Dimmer Switch Feed |
| DN | — | Not Used |
| D1 | 54 (LG/Y) | Interior Lamp Switch Feed |
| D2 | 706 (GY) | Battery Saver Door Switch Feed |

| Pin Number | Circuit | Circuit Function |
|---|---|---|
| 1 | 186 (BR/LB) | Heated Backlight Switch to Backlight |
| 2 | 38 (BK/O) | Power Supply to Battery |
| 3 | 296 (P/O) | Fused Accessory Feed #1 |
| 4 | 57 (BK) | Ground Circuit |
| 5 | 19 (LB/R) | Instrument Panel Lamp Feed |