Section 12-02: Heating and Defrosting | 1994 Mustang Workshop Manual |
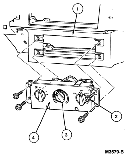
The heater control (18549) is located in the instrument panel (04320) at the right of the steering column. The heater control panel has three knobs (18519) .
The SELECT knob (RH) is for selecting the desired system function:
The center knob TEMP is for setting the desired temperature from cool to high heat. The FAN knob (LH) is a blower switch to control the volume of air movement. Each position of the SELECT knob and the FAN knob is detented for positive engagement. The FAN knob provides four manually selected blower motor speeds.
The system uses a temperature blend method to provide controlled temperature to the vehicle interior. With this method, all outside airflow from the A/C blower motor passes through the heater case to the heater air plenum chamber (18471) .
Function Control
The select knob on the right hand side of the heater control assembly controls the desired system function.
A/C Temperature Control
The heating system includes a heater core , which receives heat from the hot coolant directed through it by the engine cooling system.
There are three additional damper-type doors in the heating system:
Each of these doors is vacuum-controlled. The heater air damper door and windshield defroster door direct air into the passenger compartment through the applicable ducts and registers. The heater air inlet duct door shuts off the input of outside air when the function selector is in the OFF position, and allows the input of outside air when any position except OFF is selected.
Heater Blower Motor Control
The flow of outside air into the heating system begins at the upper cowl. From there, the air proceeds through the inlet duct of the heater case and into the heater case, where it is distributed into the vehicle according to the settings of the function, temperature and blower speed selector knobs .
Incoming air may flow through the system at a "ram air" rate, which is based on the rate at which the vehicle is moving in a forward direction. On the other hand, the rate of the incoming ram air may be accelerated by the A/C blower motor, depending on the heater blower motor speed selected:

| Item | Part Number | Description |
|---|---|---|
| 1 | 4320 | Instrument Panel |
| 2 | N803876-S2 | Screw (4 Req'd) |
| 3 | 18519 | Knob (3 Req'd) |
| 4 | 18549 | Manual Heater Control |