Section 08-01: Clutch/Pressure Plate | 1994 Mustang Workshop Manual |
Removal
CAUTION: The clutch pedal (7519)
must be lifted to disengage the adjusting mechanism during clutch
release lever cable installation. Failure to do so will result in damage to the
self-adjuster mechanism.
CAUTION: Under no circumstances should a prying instrument such as a
screwdriver or a pry bar be used to install or remove the clutch release lever cable (7535)
from clutch and brake pedal pivot shaft (7506)
.

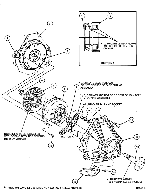
| Item | Part Number | Description |
|---|---|---|
| 1 | 6397 | Flywheel Housing to Block Dowel (2 Req'd) |
| 2 | — | Rear Face of Block and Flywheel (Part of 6010) |
| 3 | 7K578 | Flywheel Housing to Block Dowel (3 Req'd) |
| 4 | 7548 | Clutch Release Hub and Bearing |
| 5 | 7515 | Clutch Release Shaft |
| 6 | 7600 | Pilot Bearing (Install with Seal Toward Rear of Vehicle) |
| 7 | 7550 | Clutch Disc |
| 8 | 7563 | Clutch Pressure Plate |
| 9 | 7B602 | Clutch Release Lever Stud |
| 10 | 34794-S2 | Washer |
| 11 | N606063-S2 57664-S2 |
Bolt (6 Req'd) (3.8L) Bolt (6 Req'd) (5.0L) |
| 12 | 6392 | Flywheel Housing |
| 13 | 7050 | Main Drive Gear Bearing Retainer |
| 14 | 55981-S36M | Bolt |
| 15 | 7513 | Clutch Release Lever Dust Shield (Installed After Cable Assy) |
| 16 | N807508-S2 N602549-S2 |
Screw and Washer Assy (6 Req'd) (3.8L) Screw and Washer Assy (6 Req'd) (5.0L) |
Installation
Fill grease groove of clutch release hub and bearing with same grease. Clean all excess grease from inside bore of the clutch release hub and bearing . Otherwise, excess grease will be forced onto spline by transmission main drive gear bearing retainer , and will contaminate clutch disc .