Section 07-01: Transmission, Automatic—AODE | 1994 Mustang Workshop Manual |
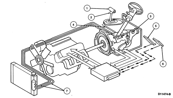
The powertrain control module (PCM) (12A650) receives and sends electrical signals that are used to make the transmission more responsive to driver and vehicle needs.
The driver demands are transmitted to the powertrain control module through four components:

| Item | Part Number | Description |
|---|---|---|
| 1 | 7115 | Transmission Range Selector Lever |
| 2 | 7G550 | Transmission Control Switch (TCS) |
| 3 | 9E731 | Vehicle Speed Sensor |
| 4 | 7E395 | Transmission Shift Cable and Bracket |
| 5 | 9725 | Accelerator Pedal and Shaft |
| 6 | 2454 | Brake Pedal Pad |
| 7 | 7A030 | Transmission Oil Cooler Inlet Tube |