Section 07-01: Transmission, Automatic—AODE | 1994 Mustang Workshop Manual |
The torque converter (7902) for the transmission is a four-element converter. It contains the standard three elements (impeller, turbine and stator) for transmission of power and multiplication of torque, plus a torque converter clutch for increased fuel economy in second, third and fourth gears.
The operation of the torque converter components is as follows:
When applied, the torque converter clutch provides a mechanical link between the converter turbine and the engine, allowing for direct transfer of power from the engine to the geartrain.
The converter clutch pressure plate (7B066) is applied and released by fluid pressure, which is controlled by the powertrain control module (PCM) (12A650)
through the torque converter clutch (TCC) solenoid in the main control valve body (7A100).
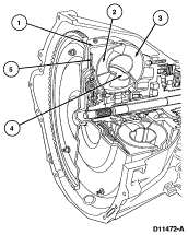
Torque Converter

| Item | Part Number | Description |
|---|---|---|
| 1 | — | Torque Converter Cover (Part of 7902) |
| 2 | — | Turbine (Part of 7902) |
| 3 | — | Impeller (Part of 7902) |
| 4 | — | Stator (Part of 7902) |
| 5 | — | Torque Converter Clutch (Part of 7902) |