Section 06-04: Brakes, Rear Disc | 1994 Mustang Workshop Manual |
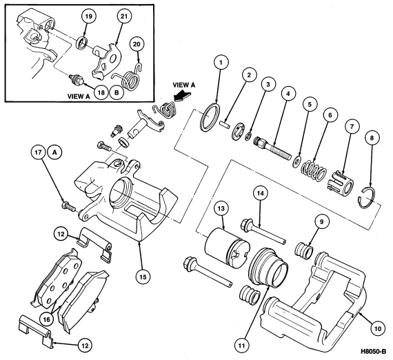
Caliper Housing Assembly
The rear disc brake caliper (2552) consists of:
Brake Shoe and Lining
NOTE: Brake friction materials inherently generate noise and heat in order to dissipate energy. As a result, occasional squeal is possible, and it is aggravated by severe environmental conditions such as cold, heat, rain, snow, salt, mud, and other factors.
The rear brake shoes and linings (2200) :

| Item | Part Number | Description |
|---|---|---|
| 1 | — | Piston Seal (Part of 2L128) |
| 2 | — | Pin (Part of 2K327) |
| 3 | — | O-Ring Seal (Part of 2K327) |
| 4 | — | Push Rod (Part of 2K327) |
| 5 | — | Flat Washer (Part of 2K327) |
| 6 | — | Spring (Part of 2K327) |
| 7 | — | Spring Cage (Part of 2K327) |
| 8 | — | Snap Ring (Circlip) (Part of 2K327) |
| 9 | 2A492 | Slider Pin Boot Seal (2 Req'd) (Part of 2B296) |
| 10 | 2B511 | Rear Disc Support Bracket |
| 11 | — | Piston Dust Boot (Part of 2L128) |
| 12 | 2B164 | Disc Brake Pad Anti-Rattle Clip (4 Req'd) |
| 13 | 2B588 | Rear Disc Brake Piston and Adjuster |
| 14 | 2B296 | Disc Brake Caliper Locating Pin (2 Req'd) |
| 15 | 2552 | Rear Disc Brake Caliper |
| 16 | 2200 | Rear Brake Shoe and Lining |
| 17A | 2N386 | Rear Brake Pin Retainer (2 Req'd) |
| 18B | 2A795 | Limiting Bolt |
| 19 | — | Parking Brake Lever Shaft Seal (Part of 2L128) |
| 20 | — | Parking Brake Lever Return Spring (Part of 2L642) |
| 21 | 2A637 | Rear Parking Brake Cable |
| A | Tighten to 40-47 Nm (30-35 Lb-Ft) | |
| B | Tighten to 6-9 Nm (4.5-7 Lb-Ft) |
Anti-Rattle Clip
The disc brake pad anti-rattle clip (2B164) :
Support Bracket
The rear disc support bracket :
Adapter
The brake adapters: