Section 04-01: Suspension and Wheel Hubs, Front | 1994 Mustang Workshop Manual |
Removal
Installation

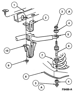
| Item | Part Number | Description |
|---|---|---|
| 1 | — | Sidemember |
| 2 | 5466 | Bracket Lower (2 Req'd) |
| 3A | N804441-S56 | Nut (4 Req'd) |
| 4 | — | Bushing (Part of 5A486) |
| 5B | 5482 | Front Stabilizer Bar |
| 6 | 5664 | Front Stabilizer Bar Link (2 Req'd) |
| 7 | 5310 | Front Coil Spring (2 Req'd) |
| 8 | 3078 | Front Suspension |
| 9 | N805474-S60 | Nut (4 Req'd) |
| 10 | 5486 | Bracket Lower (2 Req'd) |
| A | Tighten to 13.7-16.9 Nm (10-12.4 Lb-Ft) |
Stabilizer Bar Link Assembly
Removal
Installation

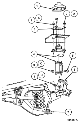
| Item | Part Number | Description |
|---|---|---|
| 1 | 18A179 | Front Shock Absorber Strut Cover Cup |
| 2A | N620482-S60 | Nuts (4 Req'd) |
| 3 | 18183 | Bracket Assembly |
| 4 | 18124 | Front Shock Absorber |
| 5 | N800234-S151 | Bolt (4 Req'd) |
| 6 | 3105 | Front Wheel Spindle |
| 7 | 3078 | Front Suspension Lower Arm |
| 8B | N805477-S36 | Nut (2 Req'd) |
| 9C | N800236-S151 | Nut (4 Req'd) |
| A | Tighten to 60-81 Nm (45-59 Lb-Ft) | |
| B | Tighten to 148-202 Nm (109-149 Lb-Ft) | |
| C | Tighten to 190-271 Nm (141-199 Lb-Ft) |