Section 04-01: Suspension and Wheel Hubs, Front | 1994 Mustang Workshop Manual |
| Description | Tool Number |
|---|---|
| Spring Compressor Tool (3.8L Mustang) | T82P-5310-A |
Removal






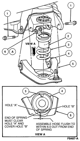
| Item | Part Number | Description |
|---|---|---|
| 1 | N804591-S100 | Bolt (4 Req'd) |
| 2 | N800241-S | Damper (2 Req'd) |
| 3 | 5310 | Front Coil Spring (2 Req'd) |
| 4 | 5414 | Insulator (2 Req'd) |
| 5 | 3078 | Front Suspension Lower Arm |
| 6A | N800237-S60 | Nut (4 Req'd) |
| A | — | Tighten to 167-185 Nm (129.8-136.4 Lb-Ft) |
Installation
NOTE: Ensure the spring pigtail is positioned between the two holes in the front suspension lower arm spring pocket.