Section 03-08: Engine Emission Control | 1994 Mustang Workshop Manual |
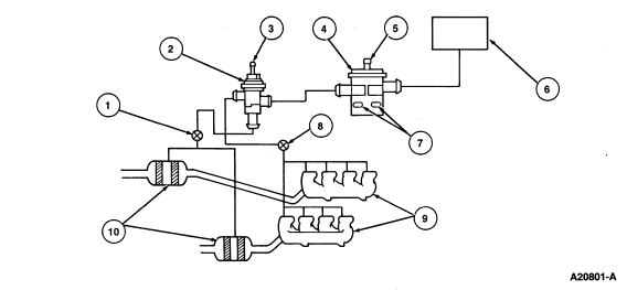
The secondary air injection diverter (AIRD) valve is used:

| Item | Part Number | Description |
|---|---|---|
| 1 | 9A487 | DownstreamSecondary Air Injection Check Valve |
| 2 | 9F491 | Secondary Air Injection Diverter Valve |
| 3 | — | Vacuum Control Connector (Part of 9F491) |
| 4 | 9B289 | Secondary Air Injection Bypass Valve |
| 5 | — | Vacuum Control Connector (Part of 9B289) |
| 6 | 9A486 | Secondary Air Injection Pump |
| 7 | — | Silencer Ports (Part of 9B289) |
| 8 | 9A487 | UpstreamSecondary Air Injection Check Valve |
| 9 | 9430 | Exhaust Manifold |
| 10 | 5E212 | Three-Way Catalytic Converter |