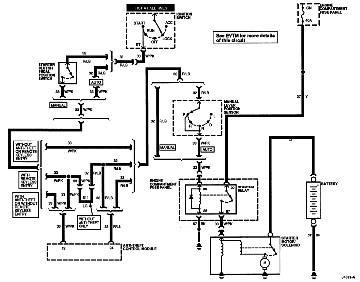
Section 03-06: Starting System | 1994 Mustang Workshop Manual |


| Pin Number | Circuit | Circuit Function |
|---|---|---|
| B-4 | 37 (Y) | Battery Voltage |
| STA | 33 (W/PK) | Hot in START |
| A-4 | 687 (GY/Y) | Hot in RUN |
| B5 | 37 (Y) | Battery Voltage |
| I-1 | 95 (T/W) | Hot in START or RUN |
| B-3 | 37 (Y) | Battery Voltage |
| A-3 | 687 (GY/Y) | Hot in RUN |
| A-2 | 687 (GY/Y) | Hot in RUN |
| B-2 | 37 (Y) | Battery Voltage |
| A-1 | 297 (BK/LG) | Hot in ACC or RUN |
| B-1 | 37 (Y) | Battery Voltage |
| GND | 57 (BK) | Ground |
| P-1 | 977 (P/W) | Grounded in START |
| P-2 | 41 (BK/LB) | Grounded in START |

| Pin Number | Circuit | Circuit Function |
|---|---|---|
| 1 | 32 (R/LB) | Starter Control |
| 2 | 298 (P/O) | Fused Run Only Feed |
| 3 | 140 (BK/PK) | Back-up Lamp |
| 4 | 33 (W/PK) | Starter Control to Control Module |
| 5 | — | Not Used |
| 6 | 149 (LB/Y) | Manual Lever Position Sensor to PCM |
| 7 | 359 (GY/R) | Sensor Signal Return |
| 8 | — | Not Used |

| Pin Number | Circuit | Circuit Function |
|---|---|---|
| 1 | 196 (DB/O) | Battery |
| 2 | 13 (R/BK) | Low Beam Headlamp Output |
| 3 | 627 (BK/O) | Set Alarm Input (From RKE) |
| 4 | 296 (W/P) | RUN/ACC |
| 5 | 23 (T/LG) | Luggage Compartment Door Lock Cylinder Tamper Switch |
| 6 | 25 (DG/P) | Door Disarm Switches |
| 7 | 118 (PK/O) | Unlock All Doors (Unlock Passenger Door Only with Remote Keyless Entry) |
| 8 | 163 (R/O) | Unlock Driver's Door (with Remote Keyless Entry Only) |
| 9 | 117 (PK/BK) | Lock All Doors |
| 10 | 936 (DG/W) | Ignition Tamper Sensor |
| 11 | 324 (LG/P) | Start Enable Output |
| 12 | — | Not Used |
| 13 | — | Not Used |
| 14 | 24 (DB/O) | Courtesy Light Switches |
| 15 | 343 (DB/LG) | Alarm Warning Lamp |
| 16 | 196 (DB/O) | Battery |
| 17 | 13 (R/BK) | Low Beam Headlamp Output |
| 18 | 6 (Y/LG) | Horn Relay Output |
| 19 | — | Not Used |
| 20 | — | Not Used |
| 21 | 14 (BR) | Parking Lamps |
| 22 | 14 (BR) | Parking Lamps |
| 23 | 397 (BK/W) | Ignition Sensor Ground Input |
| 24 | — | Not Used |
| 25 | — | Not Used |
| 26 | 397 (BK/W) | Ground |