Section 03-05: Drive Belts, Accessory | 1994 Mustang Workshop Manual |
Install new drive belt tensioner locating pin in bracket hole prior to and during tightening of drive belt tensioner retaining bolt.
On 3.8L engine, tighten drive belt tensioner retaining bolt to 70-95 Nm (52-70 lb-ft).
On 5.0L engine, tighten drive belt tensioner retaining bolt to 29.7-40.3 Nm (22-30 lb-ft).

| Item | Part Number | Description |
|---|---|---|
| 1 | 6B209 | Drive Belt Tensioner |
| 2 | 2882 | A/C Compressor Mounting Bracket |
| 3 | 19703 | A/C Compressor |
| 4 | 6C348 | Accessory Drive Belt Routing Pulley |
| 5 | 10346 | Generator |
| 6 | 3A733 | Power Steering Pump Pulley |
| 7 | 6312 | Crankshaft Pulley |
| 8 | 8509 | Water Pump Pulley |
| 9A | Bolt | |
| A | Tighten to 70-95 Nm (52-70 Lb-Ft) |

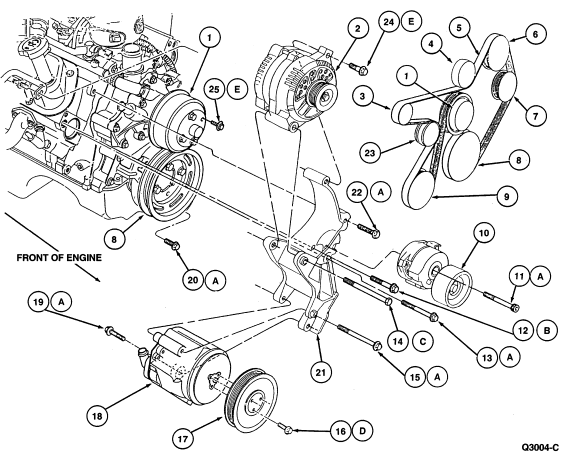
| Item | Part Number | Description |
|---|---|---|
| 1 | 8509 | Water Pump Pulley |
| 2 | 10300 | Generator |
| 3 | 10344 | Generator Pulley |
| 4 | 8678 | Belt Idler Pulley |
| 5 | 8620 | Drive Belt |
| 6 | 3A733 | Power Steering Pump Pulley |
| 7 | 2E884 | A/C Compressor Clutch Pulley |
| 8 | 6312 | Crankshaft Pulley |
| 9 | 9B477 | Secondary Air Injection Pump Pulley |
| 10 | 6B209 | Drive Belt Tensioner |
| 11A | 391410-S36B | Bolt |
| 12B | 56366-S36B | Bolt |
| 13A | 391440-S36B | Bolt |
| 14C | N807241-S36B | Bolt |
| 15A | S6755-S36B | Bolt |
| 16D | N605773-S36B | Bolt (3 Req'd) |
| 17 | 9B477 | Secondary Air Injection Pump Pulley |
| 18 | 9A486 | Secondary Air Injection Pump |
| 19A | 56743-S36B | Bolt |
| 20A | 56739-S36B | Bolt (4 Req'd) |
| 21 | 10153 | Generator Mounting Bracket |
| 22A | 56747-S36B | Bolt |
| 23 | 6B209 | Drive Belt Tensioner |
| 24E | N807274-S36B | Bolt |
| 25E | 391484-S36B | Bolt (4 Req'd) |
| A | Tighten to 29.7-40.3 Nm (22-30 Lb-Ft) | |
| B | Tighten to 59.5-80.5 Nm (44-59 Lb-Ft) | |
| C | Tighten to 40-55 Nm (30-41 Lb-Ft) | |
| D | Tighten to 8.9-12.1 Nm (79-107 Lb-In) | |
| E | Tighten to 21-29 Nm (15-21 Lb-Ft) |