Section 03-03: Engine Cooling | 1994 Mustang Workshop Manual |
CAUTION: The addition of more water than recommended will raise the freezing
protection temperature and weaken the corrosion inhibitors.
The engine coolant normally contains a 50/50 mix of water and
permanent antifreeze solution such as Premium Cooling System Fluid
E2FZ-19549-AA or B (in Canada, Motorcraft CXC-8-B) or equivalent meeting Ford
specifications ESE-M97B44-A and ESE-M97B43-A.
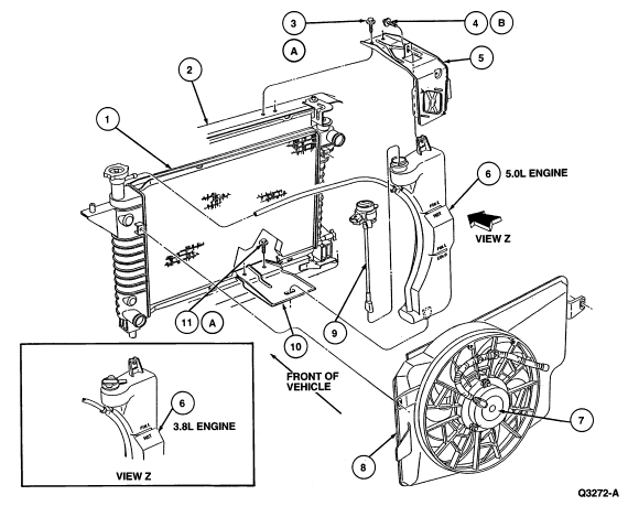
Cooling System

| Item | Part Number | Description |
|---|---|---|
| 1 | 8005 | Radiator |
| 2 | 16138 | Radiator Support |
| 3A | N606675-S2 | Bolt (2 Req'd) |
| 4B | N606663-S36B | Bolt |
| 5 | 12B581 | Constant Control Relay Module and Bracket |
| 6 | 8A080 | Radiator Coolant Recovery Reservoir |
| 7 | 8K621 | Radiator Electric Motor |
| 8 | 8146 | Fan Shroud |
| 9 | 10D968 | Low Coolant Level Warning Sensor |
| 10 | N8236 | Lower Radiator Coolant Recovery Reservoir Bracket |
| 11A | N606675-S2 | Bolt |
| A | Tighten to 7.6-10.4 Nm (67-92 Lb-In) | |
| B | Tighten to 4.5-6.3 Nm (40-56 Lb-In) |