Section 02-03: Engine and Transmission Mounting | 1994 Mustang Workshop Manual |
3.8L Engine
Removal
Installation

| Item | Part Number | Description |
|---|---|---|
| 1 | 7K065 | Transmission Support Member |
| 2A | N606571-S2 | Bolt (2 Req'd) |
| 3 | 6068 < | pinsdata spn='6068' epn='6E002' name='Rear Engine Support Insulator' acr='' first='N'> |
| 4 | 6054 | Rear Engine Support Retainer (Automatic Transmission) |
| 5B | 56782-S56 | Bolt (2 Req'd) |
| 6C | N807519-S56 | Nut (2 Req'd) |
| 7 | 6A023 | Rear Engine Support |
| 8 | N803018-S2 | Nut (2 Req'd) |
| A | Tighten to 46-64 Nm (34-47 Lb-Ft) | |
| B | Tighten to 59-81 Nm (44-60 Lb-Ft) | |
| C | Tighten to 34-46 Nm (25-34 Lb-Ft) |
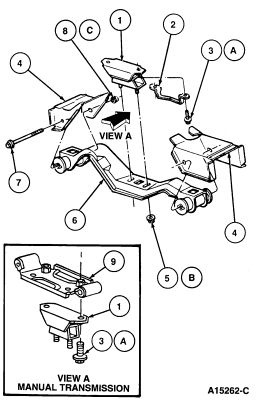
5.0L Engine
Removal
Installation

| Item | Part Number | Description |
|---|---|---|
| 1 | 6068 | Rear Engine Support Insulator |
| 2 | 6054 | Rear Engine Support Retainer |
| 3A | 56782-S56 | Bolt (2 Req'd) |
| 4 | 7K065 | Transmission Support Member |
| 5B | 382802-S2 | Nut (2 Req'd) |
| 6 | 6A023 | Rear Engine Support |
| 7 | N606571-S2 | Bolt (2 Req'd) |
| 8C | N620482-S2 | Nut (2 Req'd) |
| 9 | 6A026 | Rear Engine Support Mounting Bracket |
| A | Tighten to 59-81 Nm (44-60 Lb-Ft) | |
| B | Tighten to 34-46 Nm (25-34 Lb-Ft) | |
| C | Tighten to 46-64 Nm (34-47 Lb-Ft) |