Section 01-05: Trim, Interior | 1994 Mustang Workshop Manual |
Sedan
Removal and Installation

| Item | Part Number | Description |
|---|---|---|
| 1 | N802376-S | Push Nut (1 Req'd Each Side) |
| 2 | 29024 | Coat Hook Cover (1 Req'd Each Side) |
| 3 | N805788-S303 | Screw (1 Req'd Each Side) |
NOTE: Headliner will be destroyed if taken out.

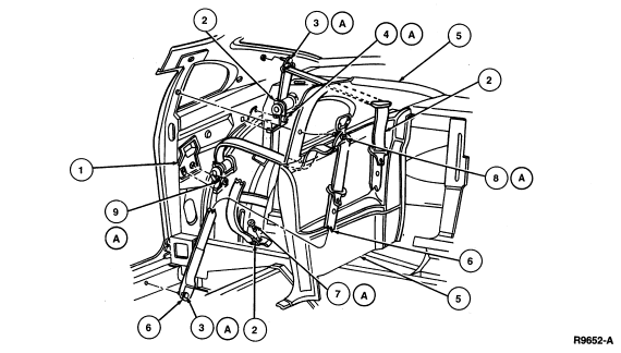
| Item | Part Number | Description |
|---|---|---|
| 1 | 611B08 | Front Safety Belt Retractor and Tongue |
| 2 | 31012 | Quarter Trim Panel |
| 3 | 51986 | Roof Side Trim Panel Assy |
| 4 | 388577-S | Push Pin (5 Req'd Each Side) |

| Item | Part Number | Description |
|---|---|---|
| 1 | 31064 | Quarter Trim Panel Shield |
| 2 | 611B68 | Rear Safety Belt Retractor and Tongue |
| 3A | V386277-S100 | Bolt |
| 4A | V389370-S100 | Bolt |
| 5 | 31012 | Quarter Trim Panel |
| 6 | 611B08 | Front Safety Belt Retractor and Tongue |
| 7A | V389370-S100 | Bolt (1 Req'd Each Side) |
| 8A | V386276-S100 | Bolt |
| 9A | V389370-S100 | Bolt |
| A | Tighten to 35-40 Nm (20-30 Lb-Ft) |

Convertible
Removal and Installation
NOTE: Feed retractor through speaker opening to remove quarter trim panel.

| Item | Part Number | Description |
|---|---|---|
| 1 | 611B08 | Front Safety Belt Retractor and Tongue |
| 2 | 31012 | Quarter Trim Panel |
| 3A | 388577-S | Push Pin (3 Req'd Each Side) |
| 4 | 18978 | Radio Speaker Grille |
| 5 | 31612 | Quarter Trim Panel Support Clip |
| 6 | — | Support Bracket |
| 7 | N803946-S100 | Rivet (1 Req'd Each Side) |
| A | Tighten to 30-40 Nm (21-29 Lb-Ft) |