Section 01-05: Trim, Interior | 1994 Mustang Workshop Manual |
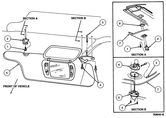
Inside visors (04100) are attached to the vehicle on both the RH and LH side of the roof panel over the windshield glass (03100) .
Vanity Mirror With Lamp
Removal and Installation
Vanity Mirror Lamp Lens and Bulbs
Removal and Installation
NOTE: The vanity mirror (17A679) cannot be replaced.

| Item | Part Number | Description |
|---|---|---|
| 1 | 55928-S36 | Screw (1 Req'd Each Side) |
| 2 | 04132 | Visor Arm Clip |
| 3 | 13A709 | Courtesy Or Interior Lamp Switch Wiring |
| 4 | 55928-S36 | Screw (2 Req'd Each Side) |
| 5 | 04100 | Inside Visor |
| 6 | 041A22 | Visor Bracket Mounting Retainer (1 Req'd Each Side) |
| 7 | 51944 | Roof Trim Panel |
| 8 | 041A20 | Visor Arm Clip Retainer (1 Req'd Each Side) |
Sun Visor and Bracket Assembly
Removal and Installation

| Item | Part Number | Description |
|---|---|---|
| 1 | 55928-S36 | Screw (1 Req'd Each Side) |
| 2 | 04132 | Visor Arm Clip |
| 3 | 13A709 | Courtesy Or Interior Lamp Switch Wiring |
| 4 | 55928-S36 | Screw (2 Req'd Each Side) |
| 5 | 04100 | Inside Visor |
| 6 | 041A22 | Visor Bracket Mounting Retainer (1 Req'd Each Side) |
| 7 | 51944 | Roof Trim Panel |
| 8 | 041A20 | Visor Arm Clip Retainer (1 Req'd Each Side) |
