Section 01-02: Body Panels, Front End | 1994 Mustang Workshop Manual |
Side and Upper
Removal and Installation
Lower and Front
Removal and Installation

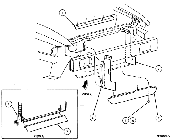
| Item | Part Number | Description |
|---|---|---|
| 1 | 8326 | Upper Radiator Air Deflector |
| 2 | 8311 | LH Radiator Air Deflector |
| 3 | 8327 | Front Lower Radiator Air Deflector |
| 4A | N803128-S55 | Screw |
| 5 | 8310 | RH Radiator Air Deflector |
| 6 | 8005 | Radiator |
| 7 | 8327 | Lower Radiator Air Deflector |